EasyManua.ls Logo

Merlin Overdrive - 20-21 Optional Features and Wiring; Overview of Optional Accessories; Service Personnel Wiring Diagram

Default Icon
24 pages
Print Icon
To Next Page IconTo Next Page
To Next Page IconTo Next Page
To Previous Page IconTo Previous Page
To Previous Page IconTo Previous Page
Loading...
13
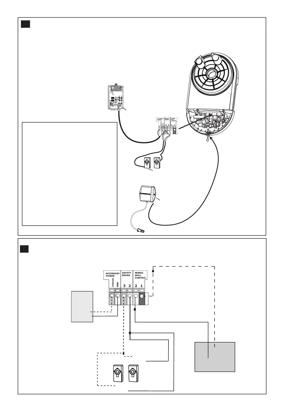
SPECIAL FEATURES (OPTIONAL ACCESSORIES)
1. 12 VDC power output for external devices
2. The Protector System
TM
IR Beams - C77
3. Standby Power Unit (battery backup E475M-12V, included accessory)
20
rx
white/black
white
white/black
white
12 vdc
gnd
External
Device
Keyswitch or
push button
com
no
12V DC
TYPICAL WIRING DIAGRAM OVERDRIVE
TM
(MRC950EVO) -
Information for Service Personnel
21
1
3
2
12V DC
MOUNTING THE EVERCHARGE
STANDBY POWER UNIT (SPU)
The SPU can be mounted to either the ceiling
or a wall within 0.9 m (3') of the opener.
Position the SPU as desired to a structural
support (ceiling joist or wall stud).
Attach the SPU to the support using the
mounting holes on either side of the SPU.
Secure the SPU using the 1-1/2" lag screws
(2) provided with the SPU unit.
Connect the SPU cord into the connector on
the bottom of the opener.
Follow all instructions included with the
E475M-12V unit to test for proper operation
and testing of the SPU.

Related product manuals