EasyManua.ls Logo

MFJ MFJ-207 - Using the MFJ-207 to adjust an antenna tuner

MFJ MFJ-207
18 pages
Print Icon
To Next Page IconTo Next Page
To Next Page IconTo Next Page
To Previous Page IconTo Previous Page
To Previous Page IconTo Previous Page
Loading...
MFJ-207 Instruction Manual HF 10-160M SWR Analyzer
EASY START INSTRUCTIONS
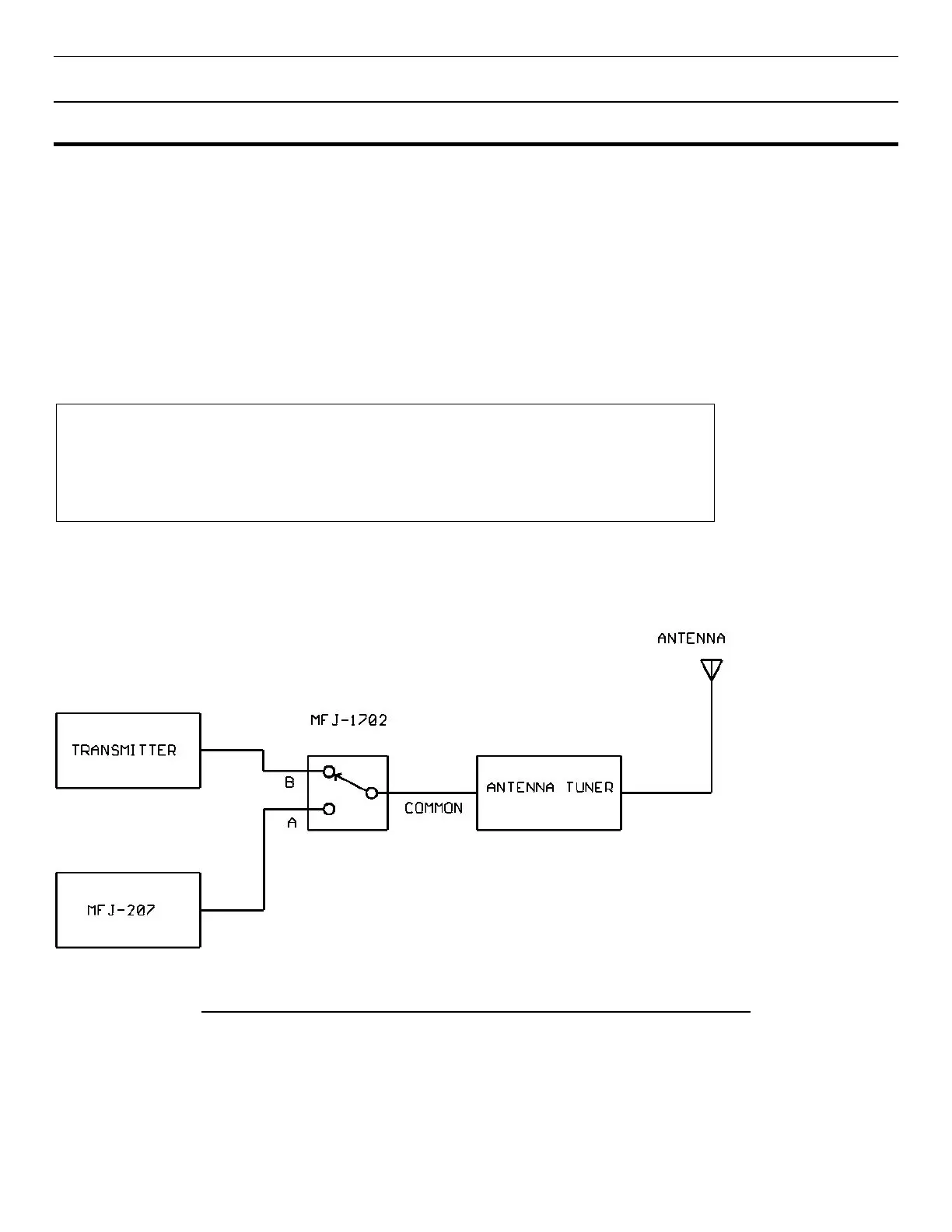
IV. Using the MFJ-207 to adjust an antenna tuner.
1. Connect you antenna to your antenna tuner.
2. Connect the MFJ-207 to the antenna tuner’s TRANSMITTER connector using
a 2-3 foot length of RG-58 or RG-8. For ease of use see figure 4.
3. Turn the band switch to the appropriate band.
4. Set the frequency dial to the desired operating frequency. Adjust the tuner’s
controls until the MFJ-207 indicates 1:1 SWR (nulls).
5. Disconnect the MFJ-207 completely and connect the transmitter to the tuner.
6. Always turn the Band switch to OFF when finished.
CAUTION
Never transmit into or through the MFJ-207. Take the MFJ-207 completely out of
line before transmitting! Damage to your MFJ-207 will result if left in line.
We recommend using the MFJ-1702 coax switch as shown in the diagram below for ease of use when changing
bands.
FIGURE 4: Hook-up for using the MFJ-207 to Tune Antenna Tuner

Other manuals for MFJ MFJ-207

Related product manuals