EasyManua.ls Logo

MFJ MJF-941E - Technical Assistance; Schematic

MFJ MJF-941E
5 pages
Print Icon
To Previous Page IconTo Previous Page
To Previous Page IconTo Previous Page
Loading...
MFJ-941E Versa Tuner II
5
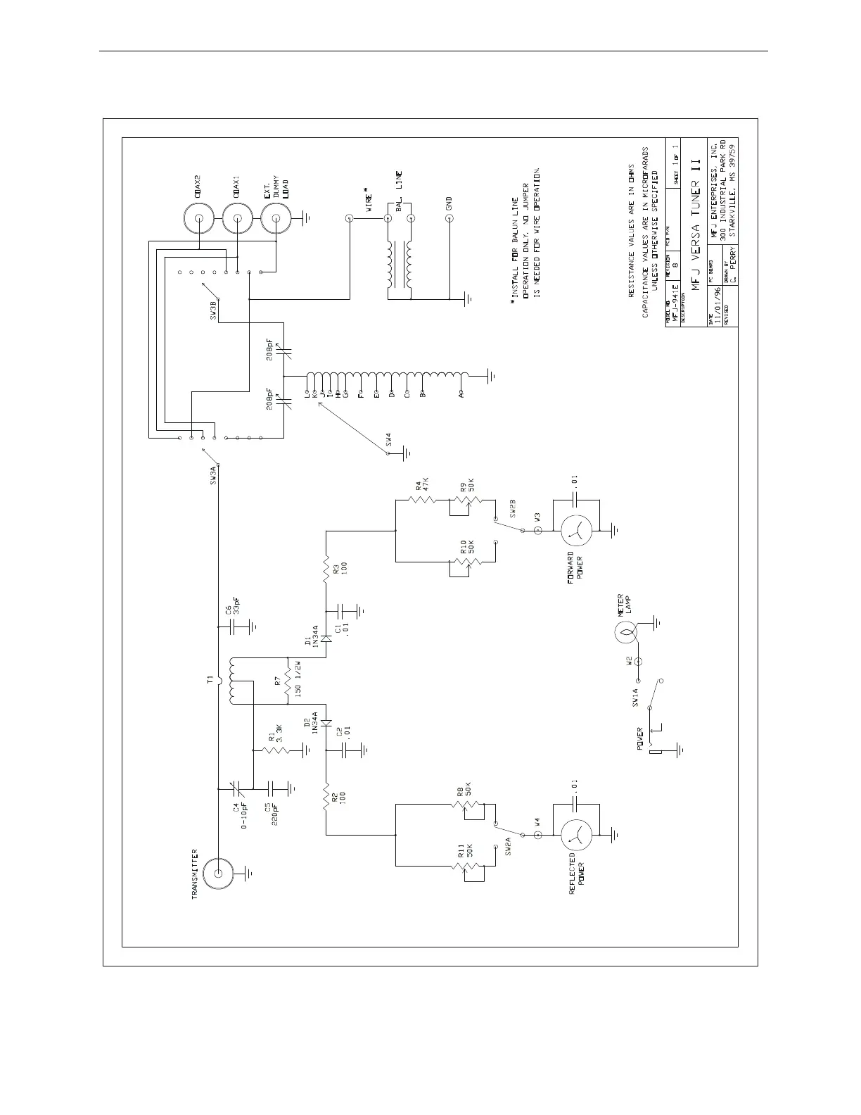
SCHEMATIC:

Related product manuals