EasyManua.ls Logo

Microchip Technology MCP2515 - Board - Schematic

Microchip Technology MCP2515
29 pages
Print Icon
To Next Page IconTo Next Page
To Next Page IconTo Next Page
To Previous Page IconTo Previous Page
To Previous Page IconTo Previous Page
Loading...
Schematic and Layouts
2008-2014 Microchip Technology Inc. DS50001757B-page 23
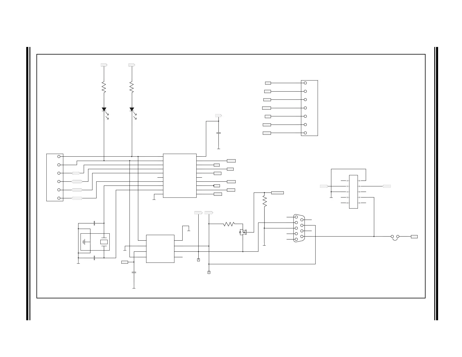
A.3 BOARD – SCHEMATIC PAGE 2
GND
GND
GND
GND
TP3
0.1uF
C6
3 2
1
FDN352AP
Q2
33.2K
R15
RED
D7
270
R10
270
R11
GND
TXCAN
GND
22PF
C10
RXCAN
TP4
120
R14
JP1
GND
0.1uF
C7
3 1
2
4
20.000MHZ
X2
22pF
C9
RED
D8
GND
10
8
6
4
9
7
5
3
21
J7
HDR2X5
CANH
7
CANL
6
VSS
2
VDD
3
STBY
8
SPLIT
5
TXD
1
RXD
4
U3
MCP2561
PIN5
5
PIN4
4
PIN3
3
PIN2
2
PIN1
1
PIN6
6
PIN7
7
PIN8
8
PIN9
9
J6
DB9M
1
2
3
4
5
6
7
J5
J_1X7_.10SP
1
4
2
5
3
6
J4
J_1X6_.10_SP
T\X\B\2\R\T\S\
T\X\B\1\R\T\S\
CLKOUT
TXCAN
OSC2
RXCAN
T\X\B\0\R\T\S\
OSC1
RX0BF
R\E\S\E\T\
RX1BF
VDD
C\S\
SI
SCK
SO
NC
INT
NC
VSS
20
18
16
14
12
19
17
15
13
11
7
5
3
1
9
2
4
6
8
10
U2
MCP2515_IST_TSSOP20
+5V
+5V
+5V
+5V
+5V
CAN_RES
CANH
CANH
CANL
CANL
CS
CS
INT
INTINT
MCLR
MSCK
MSCK
MSI
MSI
MSO
MSO
RTS0
RTS1
RTS2
RXB0
RXB0
RXB1
RXB1
SOF

Related product manuals