EasyManua.ls Logo

Microhard Systems MHX-920 - Electrical;Physical; Functional Block Diagram

Microhard Systems MHX-920
66 pages
Print Icon
To Next Page IconTo Next Page
To Next Page IconTo Next Page
To Previous Page IconTo Previous Page
To Previous Page IconTo Previous Page
Loading...
MHX-920 Operating Manual: Chapter 2 Electrical/Physical 3
2. Electrical/Physical
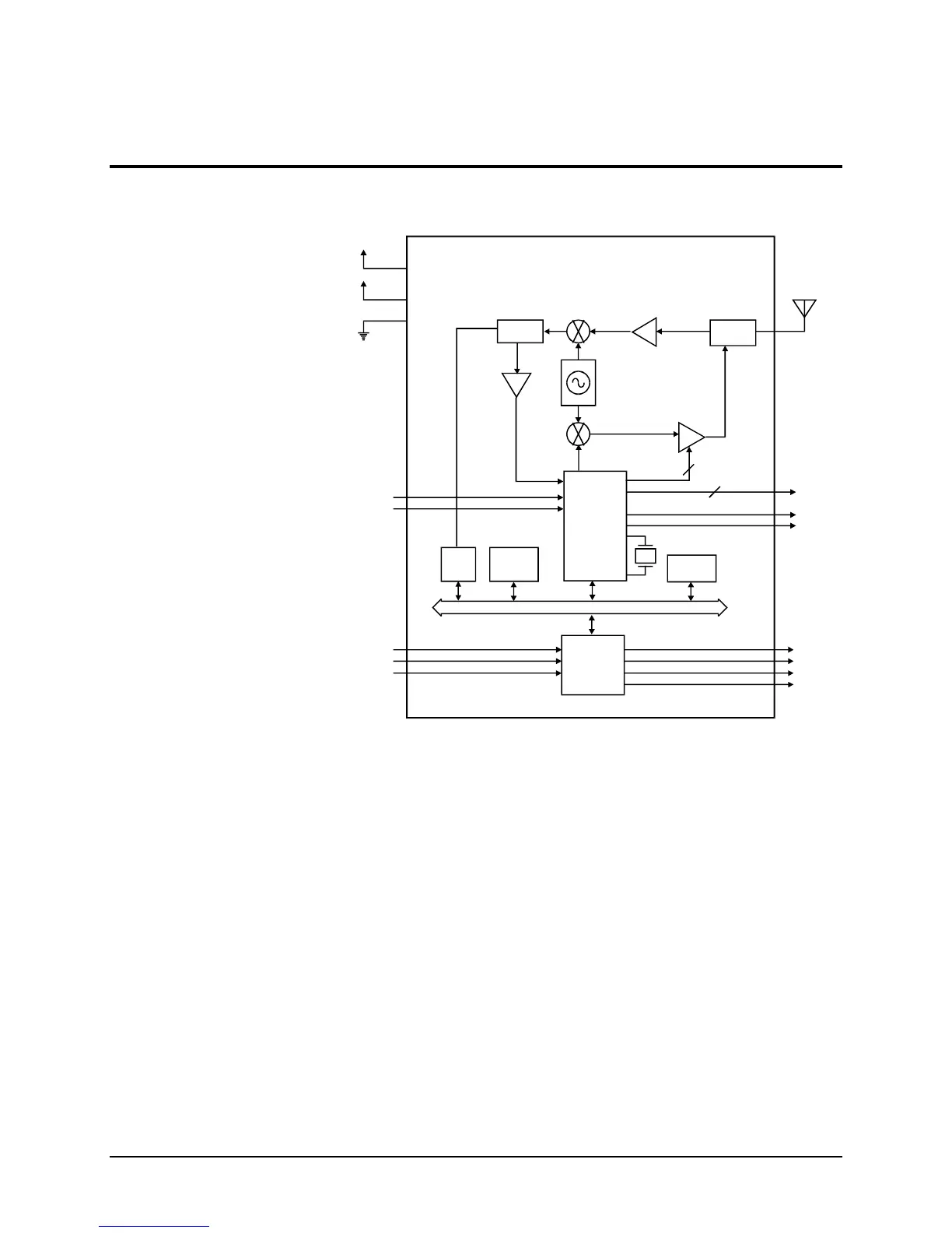
2.0 Functional Block Diagram
Antenna
Switch
Mixer
LNAMixer
IF Demod
Frequency
Synthesizer
PA
Comparator
+
-
uC
8 bit data bus
UART
(DCE)
GAIN
A/D
SRAM
EEPROM
SRAM
CTS
DCD
DSR
RxD
DTR
TxD
RTS
\Config
\Reset
RSSI1-3
RXMODE
TXMODE
DVcc
AVcc
GND
Figure 1. Functional Block Diagram

Table of Contents

Related product manuals