EasyManua.ls Logo

Midea Aqua Tempo Super MC-SS130/RN1L - Page 31

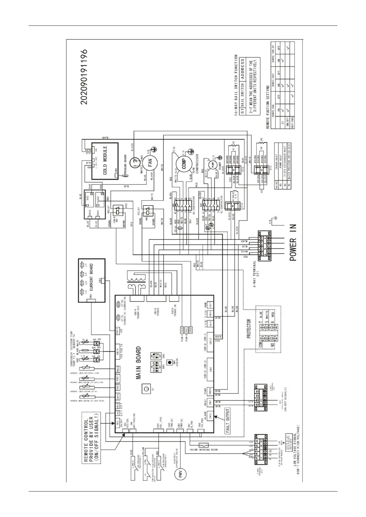
Midea Aqua Tempo Super MC-SS130/RN1L
153 pages
Print Icon
To Next Page IconTo Next Page
To Next Page IconTo Next Page
To Previous Page IconTo Previous Page
To Previous Page IconTo Previous Page
Loading...
Aqua Tempo Super Series air cooled scroll chiller unit (50Hz) MCAC-ATSM-201606
29
MC-SP25M-RN1L

Table of Contents

Related product manuals