EasyManua.ls Logo

Midea Aqua Tempo Super MC-SS35/RN1L

Midea Aqua Tempo Super MC-SS35/RN1L
153 pages
To Next Page IconTo Next Page
To Next Page IconTo Next Page
To Previous Page IconTo Previous Page
To Previous Page IconTo Previous Page
Loading...
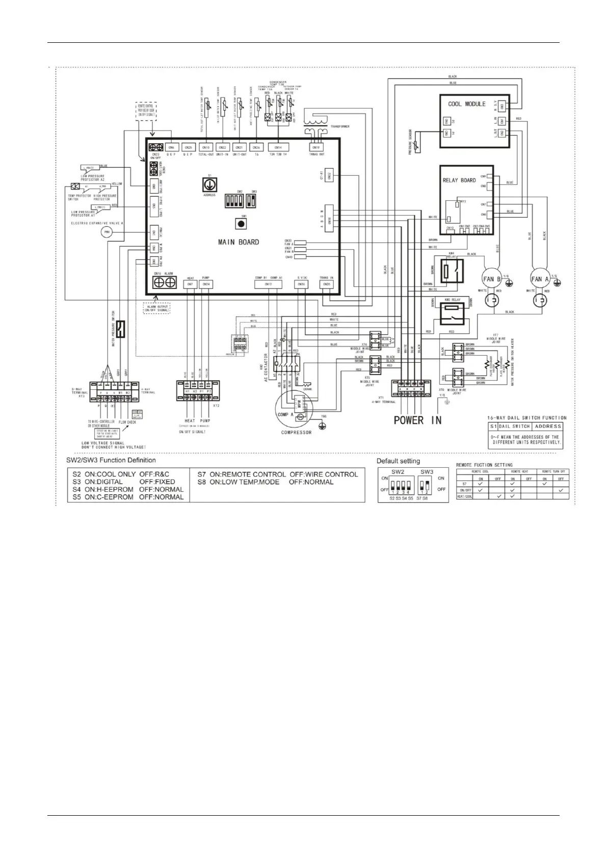
MCAC-ATSM-201606 Aqua Tempo Super Series air cooled scroll chiller unit (50Hz)
32
MC-SP65-RN1L

Table of Contents

Related product manuals