EasyManua.ls Logo

Midea MB-FS5077 - Circuit Principle Diagram

Midea MB-FS5077
32 pages
Print Icon
To Next Page IconTo Next Page
To Next Page IconTo Next Page
To Previous Page IconTo Previous Page
To Previous Page IconTo Previous Page
Loading...
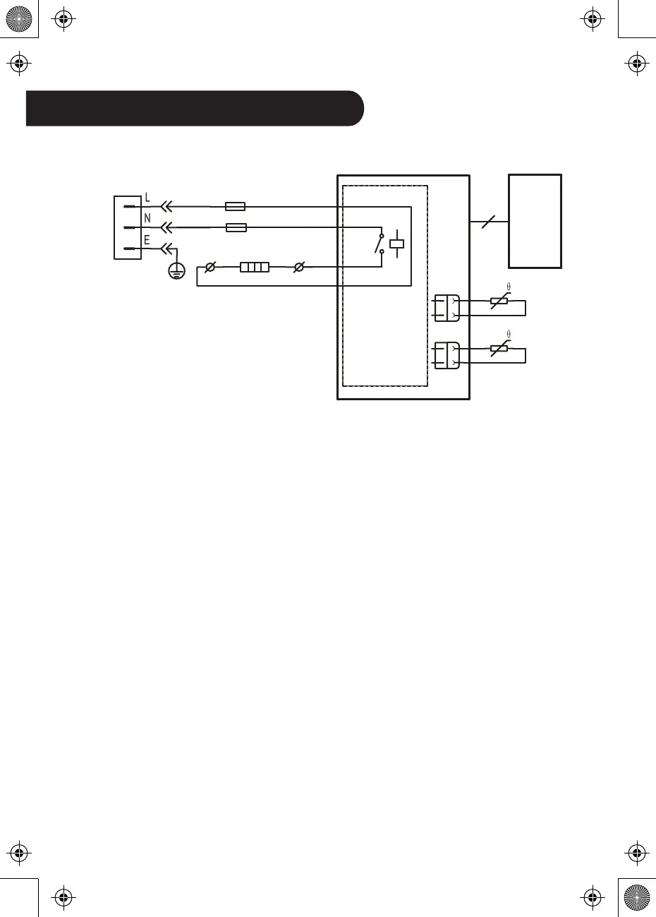
Circuit Principle Diagram
Red
Black
Red
Heating plate
Bottom sensor
Top cover sensor
Black
White
Display
panel
Connecting
line
power
board
Socket
Yellow-green
line
Blue
Temperature fuse
Temperature fuse
220-240V~50/60Hz
13

Related product manuals