EasyManua.ls Logo

Midea MC-SU60-RN1L - Page 48

Midea MC-SU60-RN1L
84 pages
Print Icon
To Next Page IconTo Next Page
To Next Page IconTo Next Page
To Previous Page IconTo Previous Page
To Previous Page IconTo Previous Page
Loading...
MCAC-ATSM-201704 Aqua Tempo Super II Series DC Inverter Air-cooled chiller unit (50Hz)
46
A
B
D
C
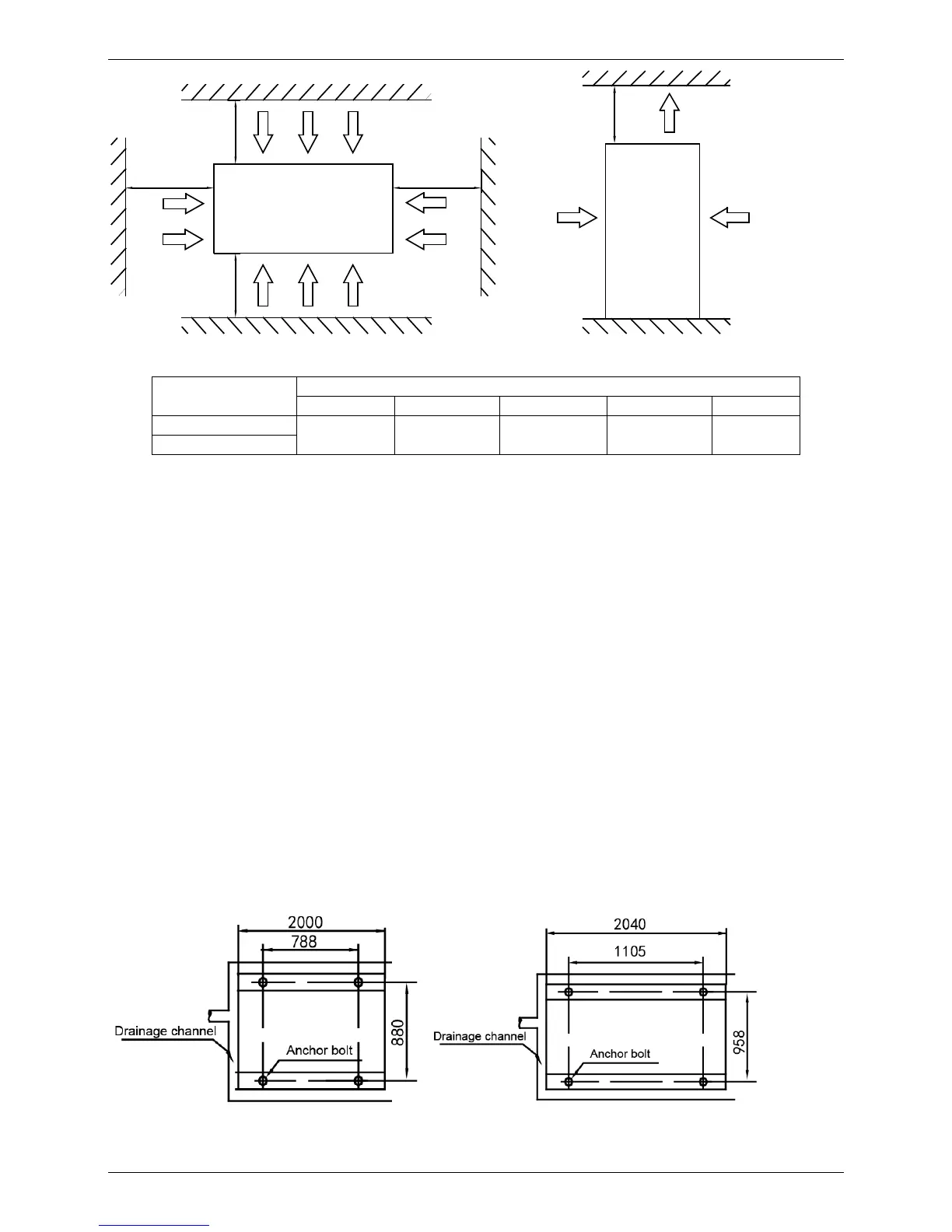
Input of airflow
Inputofairflow
unit
E
InputofairflowInputofairflow
unit
The recommend space parameter
Module
Installation space (mm)
A B C D E
MC-SU30-RN1L
800 2000 2000 800 6000
MC-SU60-RN1L
Space requirements for parallel installation of multiple units
To avoid back flow of the air in the condenser and operational faults of the unit, the parallel installation of
multiple units can follow the direction A and D as shown in the figure above, the spaces between the unit
and the obstacle are given in the figure above, and the space between adjacent units should not be less
than 300mm; the installation can also follow the direction B and C as shown in the figure above, the spaces
between the unit and the obstacle are given in the figure above, and the space between adjacent units
should not be less than 600mm; the installation can also follow the direction combination of A and D, and B
and C, the spaces between the unit and the obstacle are given in the figure above, the space between
adjacent units in the direction A and D should not be less than 300mm, and the space between adjacent
units in the direction B and C should not be less than 600mm.
If the spaces mentioned above cannot be met, the air passing from the unit to the coils may be restricted, or
back flow of air discharge may occur, and the performance of the unit may be affected, or the unit may fail to
operate.
15.1.3 Installation foundation
The unit should be located on the horizontal foundation, the ground floor or the roof which can bear
operating weight of the unit and the weight of maintenance personnel. Refer to the operating weight
parameters in specification table.
If the unit is located so high that it is inconvenient for maintenance personnel to conduct maintenance,
the suitable scaffold can be provided around the unit.
The scaffold must be able to bear the weight of maintenance personnel and maintenance facilities.
The bottom frame of the unit is not allowed to be embedded into the concrete of installation foundation.
Location drawing of installation foundation of the unit (unit: mm)
30KW module 60KW module

Other manuals for Midea MC-SU60-RN1L

Related product manuals