EasyManua.ls Logo

Midea MC-SU60-RN1L - User Menu: Double Setpoint and Compensation

Midea MC-SU60-RN1L
84 pages
Print Icon
To Next Page IconTo Next Page
To Next Page IconTo Next Page
To Previous Page IconTo Previous Page
To Previous Page IconTo Previous Page
Loading...
MCAC-ATSM-201704 Aqua Tempo Super II Series DC Inverter Air-cooled chiller unit (50Hz)
14
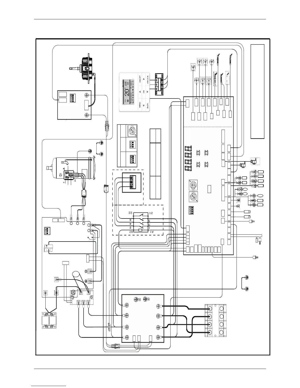
8.Wiring Diagrams
8.1 MC-SU30-RN1L Wiring Diagrams
16027100001032
Factory code Date Revision
December 7th, 2016
A
Note: 1 Component in dash line is optional.
The wiring picture shown is for reference only,
actual product may vary.
380/415VAC 50/60Hz
Power in
543
21 0
76
NP
U
V
W
CN1
CN4
CN6
CN3
CN13
Compressor
drive board
Brown
Blue
XS2
XP2
Fan
W
V
U
Blue
Red
CN53
O-FAN
CN52
O-FAN1
CN51
O-C1
Main board
ENC2
S5
ENC1
DSP1 DSP2
ON
CN38
L1 L2
CN69-1
CN45
SV3
CN17
eva-heat2
CN5_1
STF2
CN4
W-HEAT2
CN3
HEAT2
CN69
SV4_2
CN80
SV2
SV1
CN44
eva-heat1
CN5
STF1
CN4_1W-HEAT1
CN3_1
HEAT1
CN50
O-C
CN64
DEBUG
CN55
EXV1
CN71
P E Q
CN69
Taf1 Tz/7 TP2 TP1
CN40CN41
CN57
EXV2
CN24
T4 T3
5V GND A2 B2 X Y
CN31
CN26
CN42
Tf2
L-YL1
Tf1
L3
L3’
L2
L2’
L1
L1’
Red
White
Blue
RedWhite
Blue
CN51
AC filter board
CN36
CN37
CN38
CN40
CN41
CN42
CT
CN7
Black
Orange
Orange
Red
Red
Black
Black
Black
Black
Black
R
e
d
B
l
u
e
Black
Brown
Red
Black
CN11
Red
Black
CN3
CN4
C_P
C_N
DC fan drive
board
CN1
Red
Black
Blue
CN10
Yello w
Reactor
Compressor
Rectifier
IC8
T4 T3
Water switch
OK
Up
Menu
Down
CN6
Th Taf2 Two Twi Tw
T7C2
Ferrite
core
N=1
P2
N2
Red
CN58
CN39
H-YL1
NUM_SPOWER
Green
Red
CN15
Brown
Ferrite core
XS1
CN9
N
A
B
C
XP1
CN50
AC contactor
Black
R
e
d
R
e
d
W
h
i
t
e
B
l
u
e
SV4_1
CN49
O-D
CN60
Taf1 Tz/7 TP2 TP1
Twi Tw
Th Taf2 Two
L-YL1
H-YL1
CN48
Water switch
CN44
CN70
DOOR-switch2
CN62
CN47
PH-PRO
I1 I2
CN37CN59
N-ON
H-PRO
CN65
L-PRO
N-ON
Tf2
Tf1
EXVA
EXVB
EXVB
H-PRO-2
H-PRO-1
L-PRO
A B C N
Red
White
Blue
Black
CN39
CN43
N’
Black
Black
N1
DOOR-switch1
CN72
N
A
B
C
CN30
CN1
P E Q
Green
CN3
CN6
CN1
P Q E
09.20.201 5
PUMP
L3 L2 L1
Gray
B
r
o
w
n
Black
Gray
B
r
o
w
n
Black
Red
White
Yellow
Yellow
Red
Red
Black Black
Black
B
l
u
e
CN19_L
CN19_N
CN21
CN2
Alarm
E-HEAT_L
E-HEAT_N
PUMP2
PUMP1
SW1
SW1
DC fan drive
board
Compressor
drive board
Main
board
SW1
SW1
Default setting
ENC2
ZR
1
2
3
4
1
2
3
CN45
CN46
ON/OFF
COOL/HEAT
1
2
3
1
2
3
4

Other manuals for Midea MC-SU60-RN1L

Related product manuals