EasyManua.ls Logo

Midea MFA-96CRN1 - MTA-76 CRN1, MTA-96 CRN1, MHB-76 CRN1, MHB-96 CRN1

Midea MFA-96CRN1
162 pages
To Next Page IconTo Next Page
To Next Page IconTo Next Page
To Previous Page IconTo Previous Page
To Previous Page IconTo Previous Page
Loading...
MCAC-UTSM-2012-12 R410A 50Hz Tropical Split AC
17
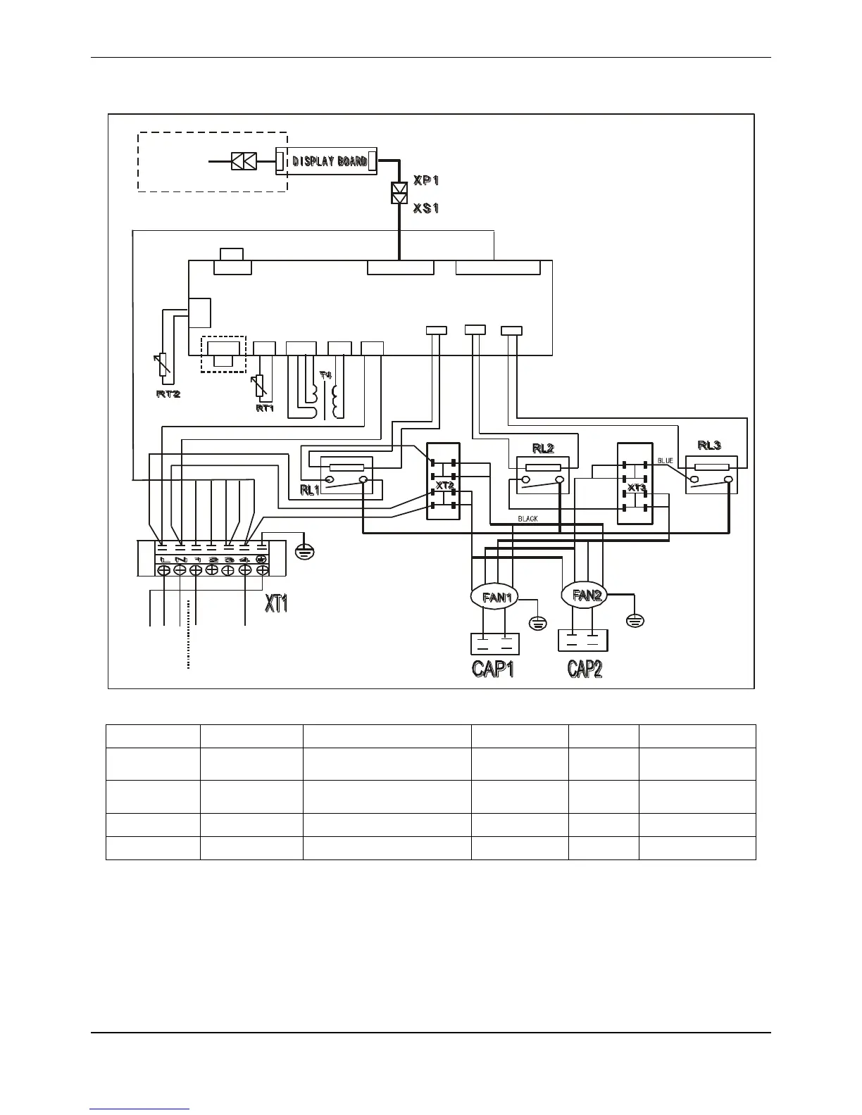
6. Wiring Diagrams
6.1 MTA-76CRN1, MTA-96CRN1, MHB-76CRN1, MHB-96CRN1
INDOOR POWER
Y
E
L
L
O
W
G
R
E
E
N
B
R
O
W
N
B
L
U
E
R
E
D
B
L
U
E
R
E
D
W
H
I
T
E
RED RED
WHITE
SLOW
HIGH
LOW
BLUE
TO OUTDOOR
B
L
A
C
K
Y
E
L
L
O
W
R
E
D
WHITE
B
L
U
E
Y/G
B
L
A
C
K
R
E
D
WHITE
B
L
U
E
Y/G
MAIN CONTROL BOARD
WHITE
(GRAY)
WHITE
(GRAY)
CN20 CN7 CN3 CN2 CN1
CN8
CN11 CN10 CN15
TO WIRE
CONTROLLER
RL1 RL2 RL3
BLUE
RED
B
R
O
W
N
B
R
O
W
N
B
R
O
W
N
B
R
O
W
N
B
R
O
W
N
B
R
O
W
N
Y
E
L
L
O
W
BLACK
B
L
A
C
K
R
E
D
B
L
U
E
Y
E
L
L
O
W
Y/G
RED
WHITE
B
L
U
E
B
L
U
E
N-LINE
R
E
D
BLACK
Item
Name
Item
Name
Item
Name
CAP1-CAP2
Indoor fan cap
CN1-3,CN7,CN8, CN10,
CN11,CN15,CN20
PCB sockets
T4
Transformer
FAN1-FAN2
Indoor fan
RT1
Room temp.
sensor
RT2
Pipe temp.
sensor
XP1
Connector
XS1
Connector
XT1
7-way terminal
XT2,XT3
Mid terminal
RL1,RL2,RL3
Relay
-
-

Related product manuals