EasyManua.ls Logo

Midea MGCSL-D30W/RN1

Midea MGCSL-D30W/RN1
174 pages
To Next Page IconTo Next Page
To Next Page IconTo Next Page
To Previous Page IconTo Previous Page
To Previous Page IconTo Previous Page
Loading...
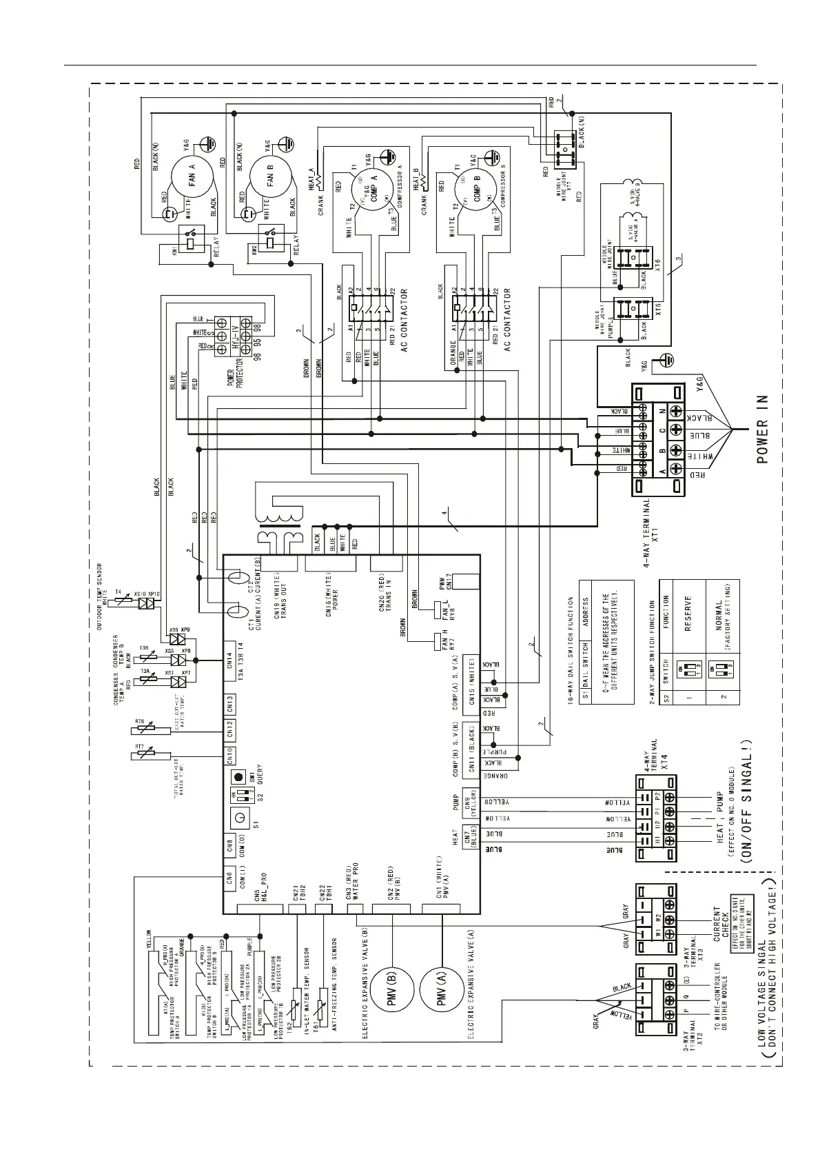
Air-cooled modular chiller unit 50Hz MCAC-ATSM-2011-12
46
130KW module
Attached picture (I) Electric Drawing of Main Unit and Auxiliary Unit

Related product manuals