EasyManua.ls Logo

Midea MOCA30U-24HN1-Q - Page 119

Midea MOCA30U-24HN1-Q
264 pages
Print Icon
To Next Page IconTo Next Page
To Next Page IconTo Next Page
To Previous Page IconTo Previous Page
To Previous Page IconTo Previous Page
Loading...
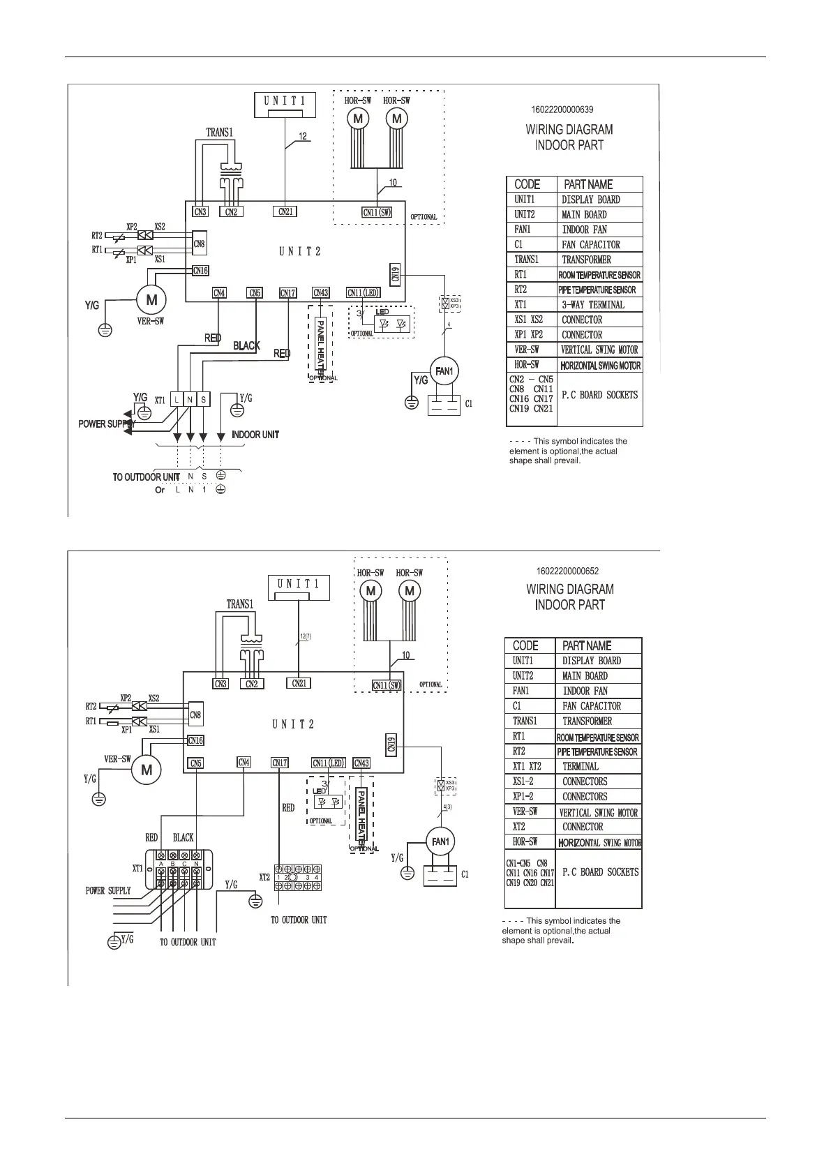
GA Floor-standing type 115
MFGA-24CRN1-Q
MFGA-48CRN1-RB4, MFGA-60CRN1-R

Table of Contents

Related product manuals