EasyManua.ls Logo

Midea MOCA30U-24HN1-Q - Page 157

Midea MOCA30U-24HN1-Q
264 pages
Print Icon
To Next Page IconTo Next Page
To Next Page IconTo Next Page
To Previous Page IconTo Previous Page
To Previous Page IconTo Previous Page
Loading...
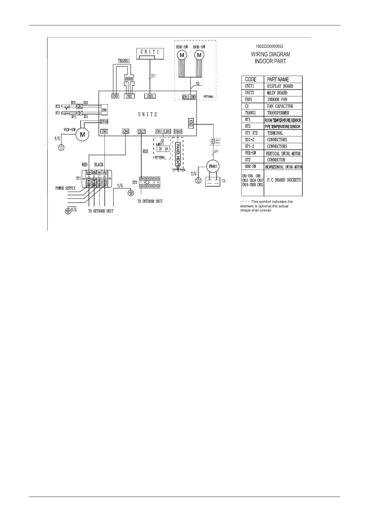
Wiring Diagrams
S4 Floor-standing Type 153
MFS4-48CRN1-RB8

Table of Contents

Related product manuals