EasyManua.ls Logo

Midea MOCA30U-24HN1-Q - Page 59

Midea MOCA30U-24HN1-Q
264 pages
Print Icon
To Next Page IconTo Next Page
To Next Page IconTo Next Page
To Previous Page IconTo Previous Page
To Previous Page IconTo Previous Page
Loading...
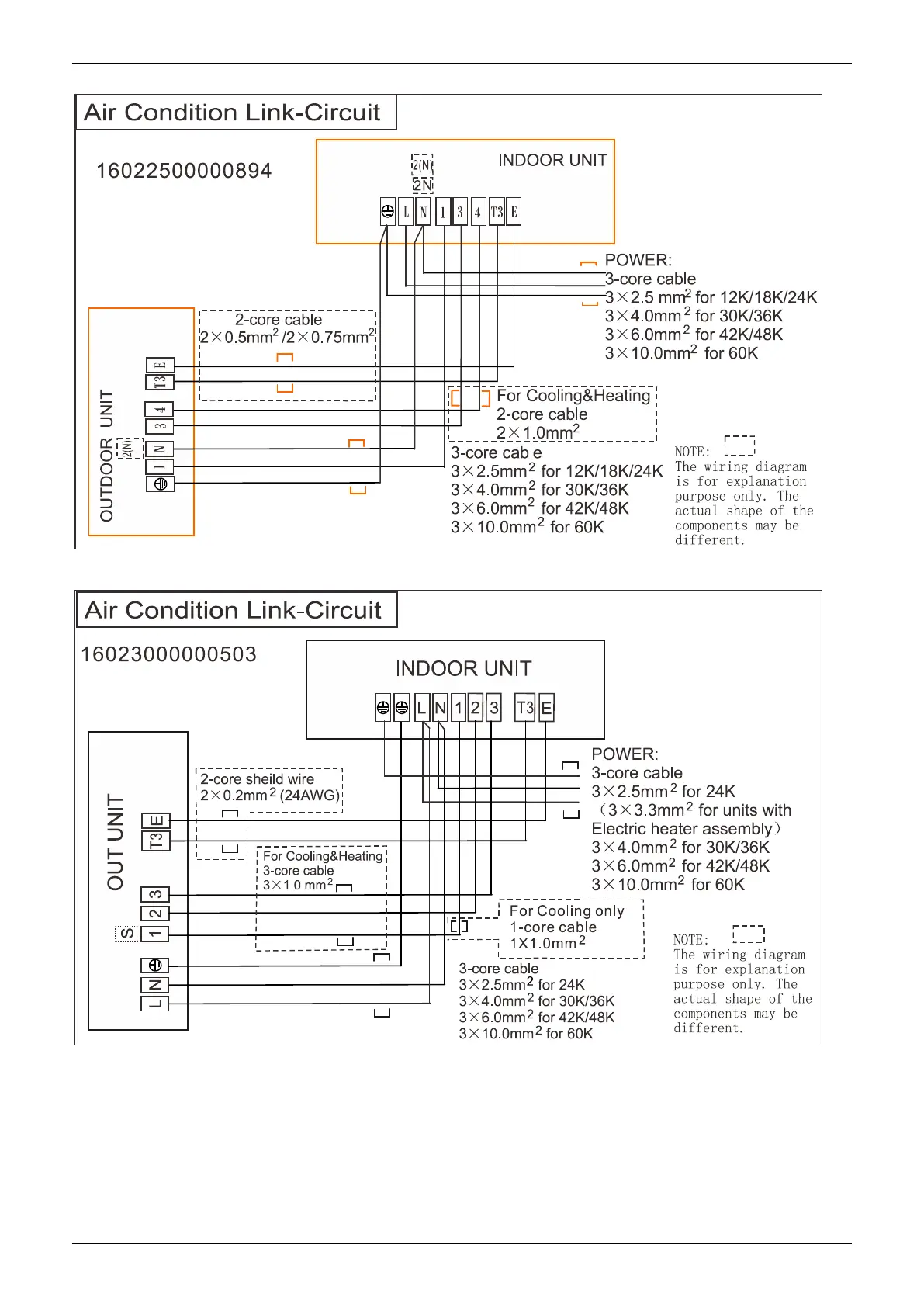
Field Wiring
A5 Duct Type 55
MTB-12HWN1-Q, MTB-18HWN1-Q
MTB-24HWN1-Q, MTB-24CWN1-Q, MTB-30CWN1-QB4, MTB-36CWN1-QB4

Table of Contents

Related product manuals