EasyManua.ls Logo

Midea MRCT-200CWN1-R(C) - Page 130

Midea MRCT-200CWN1-R(C)
132 pages
Print Icon
To Next Page IconTo Next Page
To Next Page IconTo Next Page
To Previous Page IconTo Previous Page
To Previous Page IconTo Previous Page
Loading...
DM16‐01.01.27en RooftopClimaCreatorseries
130 Service manual
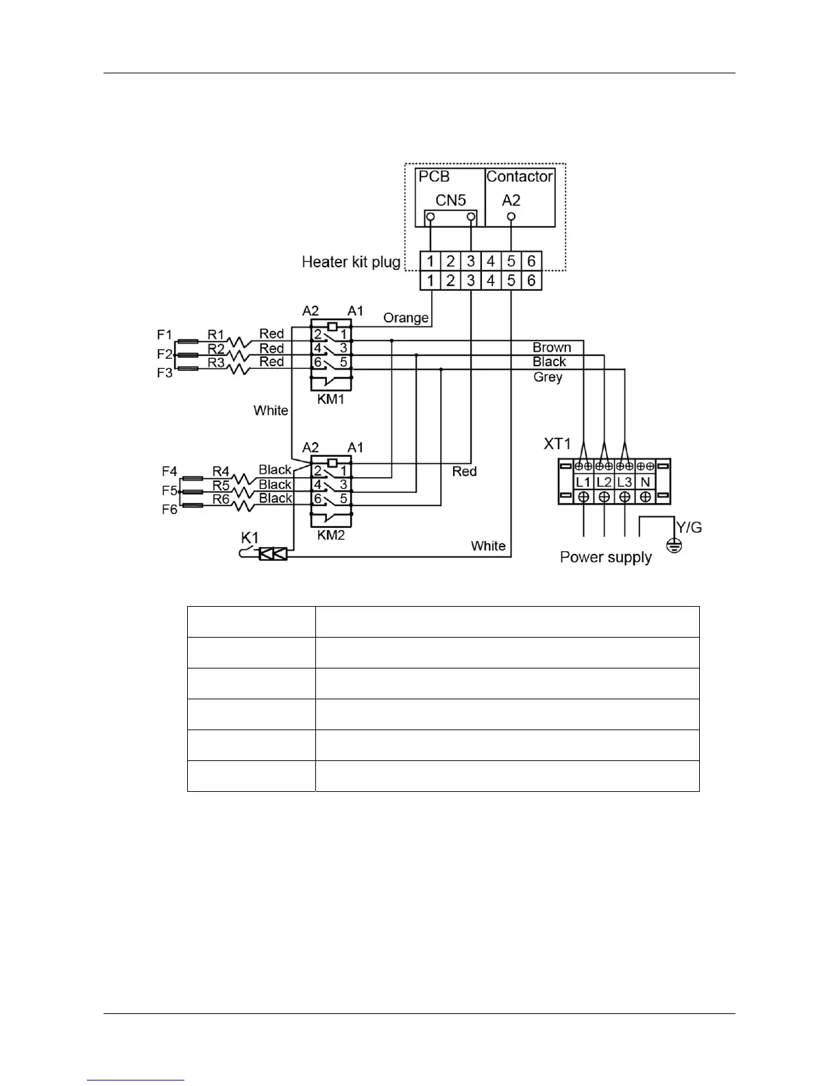
Step 4: Wiring
Electric diagram – 15kW/20kW EHK:
Code Title
F1~F6 Thermal cut-off
R1~R6 Electrically heated pipe
KM1~KM2 Contactor
K1 Temperature protection switch
XT1 4-way terminal

Related product manuals