EasyManua.ls Logo

Midea MRCT-200CWN1-R(C) - Page 131

Midea MRCT-200CWN1-R(C)
132 pages
Print Icon
To Next Page IconTo Next Page
To Next Page IconTo Next Page
To Previous Page IconTo Previous Page
To Previous Page IconTo Previous Page
Loading...
RooftopClimaCreatorseries
DM16‐01.01.27en
Service manual 131
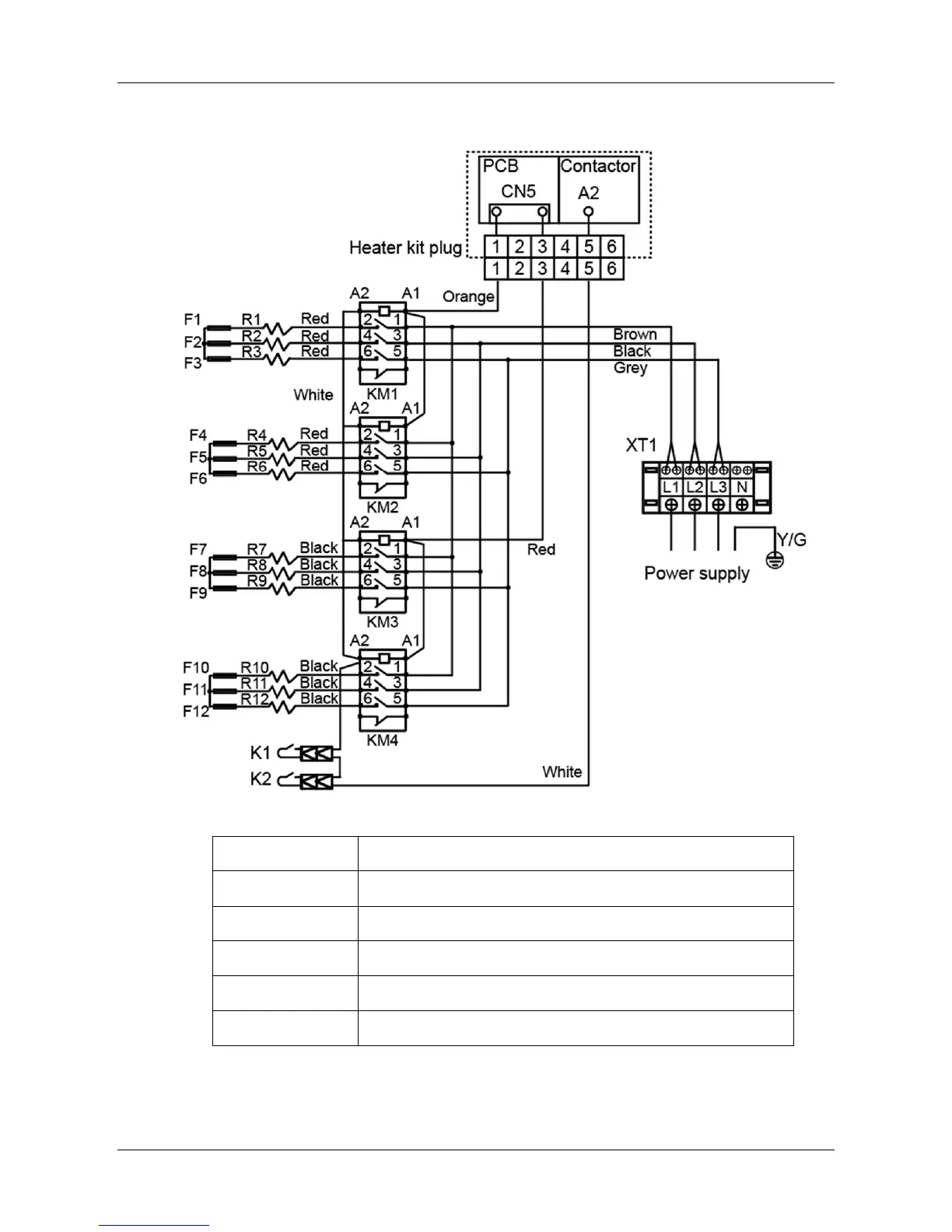
Electric diagram – 30kW/40kW EHK:
Code Title
F1~F12 Thermal cut-off
R1~R12 Electrically heated pipe
KM1~KM4 Contactor
K1~K2 Temperature protection switch
XT1 4-way terminal

Related product manuals