EasyManua.ls Logo

Midea MV6-i280WV2GN1-E - Page 26

Midea MV6-i280WV2GN1-E
130 pages
Print Icon
To Next Page IconTo Next Page
To Next Page IconTo Next Page
To Previous Page IconTo Previous Page
To Previous Page IconTo Previous Page
Loading...
-i V6-i VRF 50/60Hz
25
Part 2
- Component Layout
and
Refrigerant Circuits
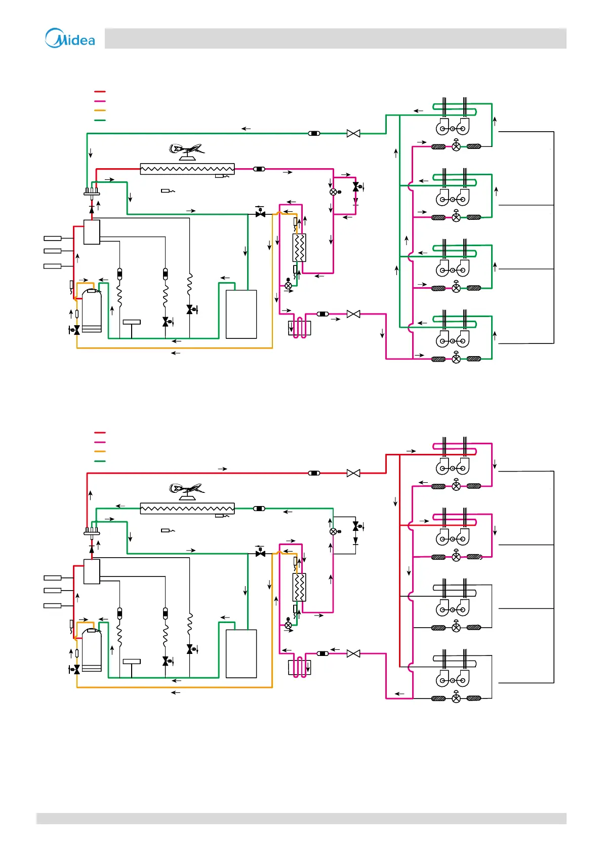
Oil return operation in heating mode and defrosting operation
Figure 2-3.7: 14/16/18HP refrigerant flow during oil return operation in heating mode and during defrosting operation
Heating operation
Figure 2-3.8: 14/16/18HP refrigerant flow during heating operation
SV7
EXVA
8
SV6
7
1
15
12
9
3
2
4
5
6
11
10
14
13
High temperature, high pressure gas
High temperature, high pressure liquid
Medium temperature, medium pressure gas
Low temperature, low pressure
EXVC
E
S
C
T3
T4
T6B
T7C1
T7C2
T6A
SV8A
SV4
SV5
480 steps
Filter
Filter
480 steps
Unit on
Thermostat off
Unit on
Thermostat on
Unit on
Thermostat on
Unit off
Filter
Indoor unit operation
Filter
480 steps
Filter
Filter
480 steps
Filter
Filter
Fan
off
Fan
off
Fan
off
Fan
off
SV7
EXVA
8
SV6
High temperature, high pressure gas
High temperature, high pressure liquid
Medium temperature, medium pressure gas
Low temperature, low pressure
7
1
15
12
9
3
2
4
5
6
11
10
14
13
EXVC
E
S
C
T3
T4
T6B
T7C1
T7C2
T6A
SV8A
SV4
SV5
Closed
Closed
Filter
Filter
Unit on
Thermostat off
Unit on
Thermostat on
Unit on
Thermostat on
Unit off
Filter
Indoor unit operation
Filter
Normal control
Normal control
Filter
Filter
Filter
Filter
Fan
on
Fan
off
Fan
on
Fan
on

Table of Contents

Related product manuals