EasyManua.ls Logo

Midea MV8M-120WV2RN1 - Piping Diagrams

Midea MV8M-120WV2RN1
111 pages
Print Icon
To Next Page IconTo Next Page
To Next Page IconTo Next Page
To Previous Page IconTo Previous Page
To Previous Page IconTo Previous Page
Loading...
V8 Mini R410A VRF 50Hz
22
Midea
V8 Mini
Series Engineering Data Book
4 Piping Diagrams
120/140/160 model
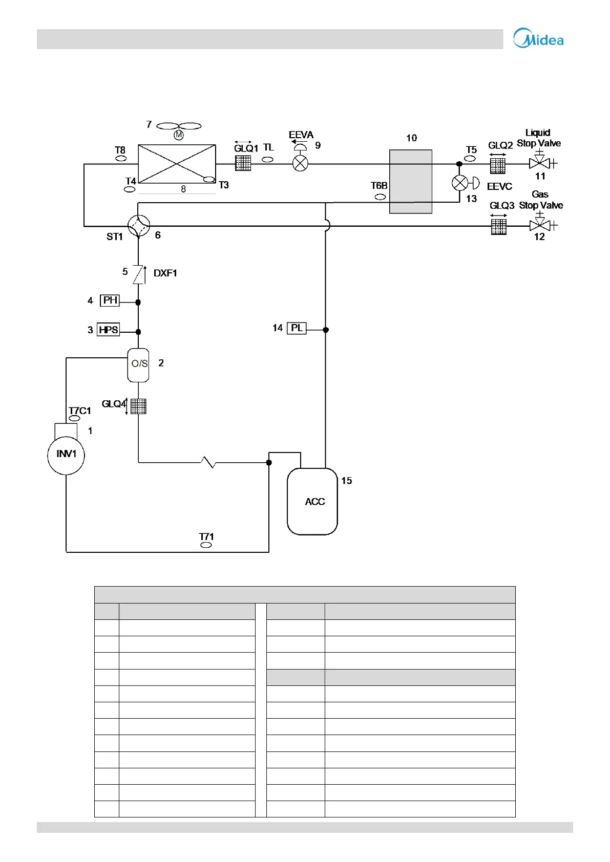
Figure 2-4.1: 120/140/160 model piping diagram
Legend
No.
Parts name
No.
Parts name
1
Compressor
13
Electronic expansion valve (EEVC)
2
Oil separator
14
Low pressure sensor
3
High pressure switch
15
Gas-liquid separator
4
High pressure sensor
Sensor Code
Description
5
Check value
T3
Main heat exchanger pipe temperature sensor
6
Four-way valve(ST1)
T4
Outdoor ambient temperature sensor
7
Fan
T5
Liquid pipe temperature sensor
8
Heat exchanger
T6B
Plate heat exchanger outlet temperature sensor
9
Electronic expansion valve (EEVA)
T7C1
Compressor discharge temperature sensor
10
Plate heat exchanger
T71
Suction temperature sensor
11
Stop valve (liquid side)
T8
Condenser inlet temperature sensor
12
Stop valve (gas side)
TL
Condenser outlet temperature sensor

Related product manuals