EasyManua.ls Logo

Midea MV8M-120WV2RN1 - Refrigerant Piping Design

Midea MV8M-120WV2RN1
111 pages
Print Icon
To Next Page IconTo Next Page
To Next Page IconTo Next Page
To Previous Page IconTo Previous Page
To Previous Page IconTo Previous Page
Loading...
V8 Mini R410A VRF 50Hz
64
Midea V8 Mini Series Engineering Data Book
3 Refrigerant Piping Design
3.1 Design Considerations
Refrigerant piping design should take account of the following considerations:
The amount of brazing required should be kept to a minimum.
On the two inside sides of the first indoor branch joint (A in Figures 3-3.1 and Figure 3-3.3) the system should, as far
as possible, be equal in terms of number of units, total capacities and total piping lengths.
3.2 Material Specification
Only seamless phosphorus-deoxidized copper piping that complies with all applicable legislation should be used. Temper
grades and minimum thicknesses for different diameters of piping are specified in Table 3-3.1.
Table 3-3.1: Piping temper and thickness
Piping outer
diameter
(mm)
Temper
1
Minimum thickness
(mm)
Ф6.35
O
(annealed)
0.8
Ф9.53
0.8
Ф12.7
1.0
Ф15.9
1.0
Ф19.1
1.0
Ф22.2
1/2H
(half hard)
1.0
Notes:
1. O: coiled piping;
2. 1/2H: straight piping.
3.3 Permitted Piping Lengths and Level Differences
The piping length and level difference requirements that apply are summarized in Table 3-3.2 and are fully described as
follows (refer to Figure 3-3.1 and Figure 3-3.2):
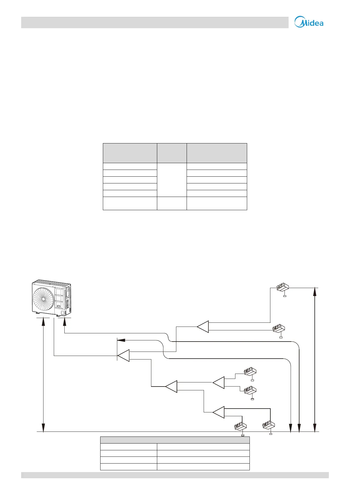
Figure 3-3.1: Permitted refrigerant piping lengths and level differences
Legend
L1
Main pipe
L2 to L5
Indoor main pipes
a to f
Indoor auxiliary pipes
A to E
Indoor branch joints
Outdoor Unit
a
N1
3N
5N
6
N
2
N
4N
b
c
e
f
d
1L
2L
5L
3
L
4
L
A
B
C
D
E
Maximum level difference between the
outdoor unit and indoor unit is ≤ 50 m
Maximum level difference between Indoor
units is ≤ 15 m
Maximum piping length from the first branch joint
to the farthest indoor unit is ≤ 40 m
Maximum equivalent piping length from the outdoor
unit to the farthest indoor unit is ≤ 120 m
First branch
joint

Related product manuals