EasyManua.ls Logo

Midea MV8M-120WV2RN1 - Page 68

Midea MV8M-120WV2RN1
111 pages
To Next Page IconTo Next Page
To Next Page IconTo Next Page
To Previous Page IconTo Previous Page
To Previous Page IconTo Previous Page
Loading...
V8 Mini R410A VRF 50Hz
66
Midea V8 Mini Series Engineering Data Book
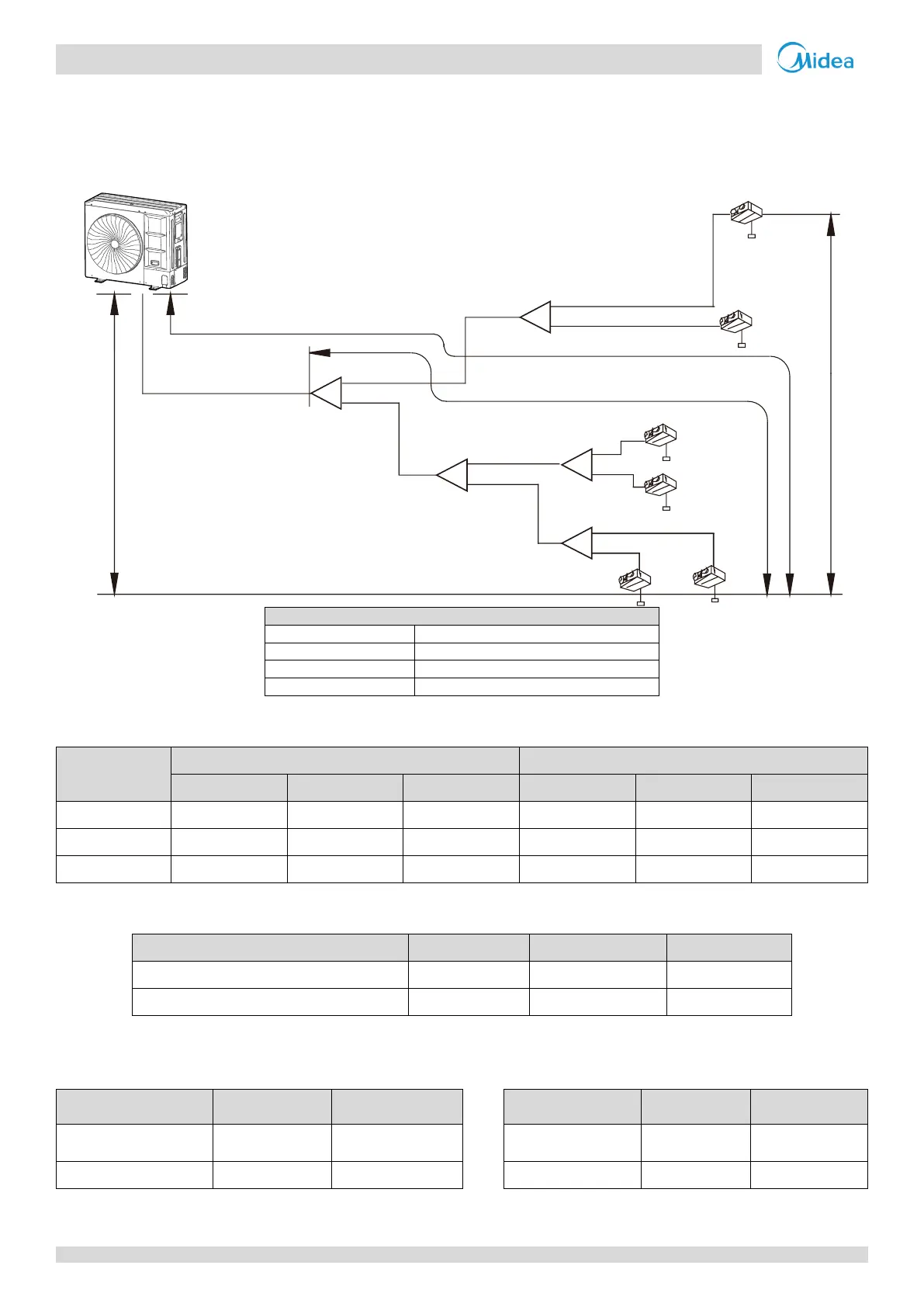
3.4 Selecting Piping Diameters
Tables 3-3.4 to 3-3.7 below, specify the required pipe diameters for the indoor and outdoor piping. The main pipe (L1) and
first indoor branch joint (A) should be sized according to whichever of Tables 3-3.4 and 3-3.5 indicates the larger size.
Figure 3-3.3: Selecting piping diameters
Legend
L1
Main pipe
L2 to L5
Indoor main pipes
a to f
Indoor auxiliary pipes
A to E
Indoor branch joints
Table 3-3.4: Main pipe (L1) and first indoor branch joint (A)
Outdoor unit
model
Total equivalent length of liquid pipe and gas pipe< 90m
Total equivalent length of liquid pipe and gas pipe 90m
Gas pipe (mm)
Liquid pipe (mm)
Branch joint kit
Gas pipe (mm)
Liquid pipe (mm)
Branch joint kit
120
Φ15.9
Φ9.52
FQZHN-01D
Φ19.1
Φ9.52
FQZHN-01D
140
Φ15.9
Φ9.52
FQZHN-01D
Φ19.1
Φ9.52
FQZHN-01D
160
Φ19.1
Φ9.52
FQZHN-01D
Φ22.2
Φ9.52
FQZHN-01D
Table 3-3.5: Indoor main pipes (L2 to L5) and indoor branch joint kits
Total capacity indexes of indoor units
Gas pipe (mm)
Liquid pipe (mm)
Branch joint kit
Capacity indexes < 160
Φ15.9
Φ9.52
FQZHN-01D
160 ≤ Capacity indexes < 280
Φ19.1
Φ9.52
FQZHN-01D
Notes:
1. If indoor main pipes (L2 to L5) are larger than the main pipe (L1), indoor main pipes should reduce to the main pipe’s size.
Table 3-3.6: Indoor auxiliary pipes (a to f)
Table 3-3.7: Pipe diameter of the outdoor unit itself
Capacity of indoor unit
(A×100W)
Gas pipe (mm)
Liquid pipe (mm)
Outdoor unit model
Gas pipe (mm)
Liquid pipe (mm)
A<63
Φ12.7
Φ6.35
120/140
Φ15.9
Φ9.52
63≤A≤160
Φ15.9
Φ9.52
160
Φ19.1
Φ9.52
Outdoor Unit
a
N1
3N
5N
6
N
2
N
4N
b
c
e
f
d
1L
2L
5L
3
L
4
L
A
B
C
D
E
Maximum level difference between the
outdoor unit and indoor unit is ≤ 50 m
Maximum level difference between Indoor
units is ≤ 15 m
Maximum piping length from the first branch joint
to the farthest indoor unit is ≤ 40 m
Maximum equivalent piping length from the outdoor
unit to the farthest indoor unit is ≤ 120 m
First branch
joint

Related product manuals