EasyManua.ls Logo

Midea MWH-35MPC - Wiring Diagram

Midea MWH-35MPC
36 pages
Print Icon
To Next Page IconTo Next Page
To Next Page IconTo Next Page
To Previous Page IconTo Previous Page
To Previous Page IconTo Previous Page
Loading...
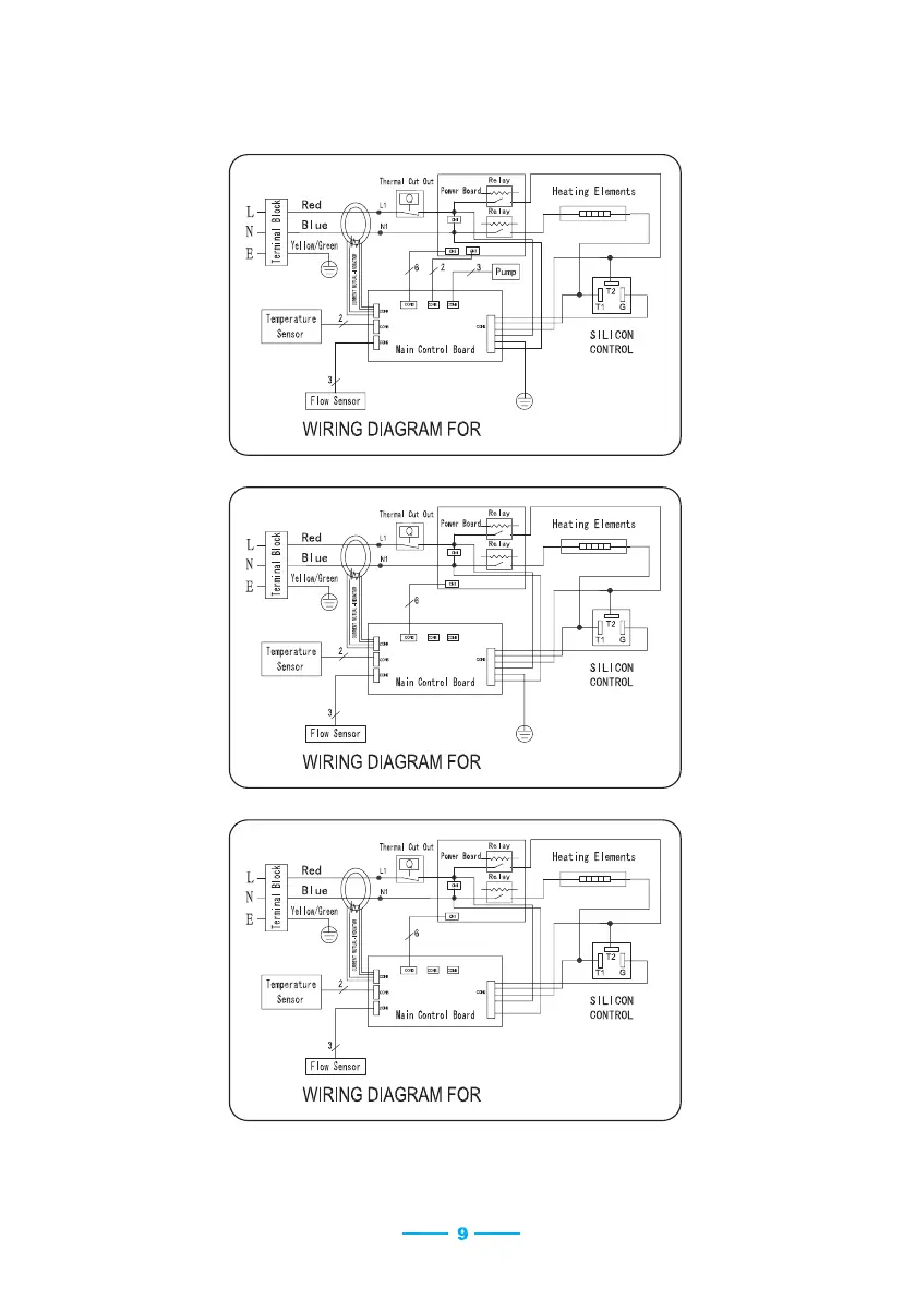
MWH-35MPC
MWH-35M
MWH-35i
WIRING DIAGRAM

Related product manuals