EasyManua.ls Logo

Midea MWH-35MPC - Page 35

Midea MWH-35MPC
36 pages
Print Icon
To Next Page IconTo Next Page
To Next Page IconTo Next Page
To Previous Page IconTo Previous Page
To Previous Page IconTo Previous Page
Loading...
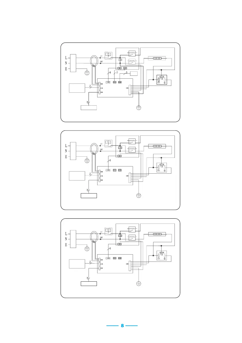
电器原理图
MWH-35MPC 电器原理图
MWH-35M 电器原理图
流量传感器
流量传感器
温度传感器
温度传感器
温度传感器
水泵
电源板
Relay
Relay
电源板
Relay
Relay
主控板
主控板
可控硅
可控硅
限温器
限温器
线
黄/绿
线
黄/绿
加热器
加热器
MWH-35M 电器原理图
流量传感器
电源板
Relay
Relay
主控板
可控硅
限温器
线
黄/绿
加热器

Related product manuals