EasyManua.ls Logo

Midea MWSC340A-FB3 - Page 66

Midea MWSC340A-FB3
114 pages
Print Icon
To Next Page IconTo Next Page
To Next Page IconTo Next Page
To Previous Page IconTo Previous Page
To Previous Page IconTo Previous Page
Loading...
Flooded type water cooled screw chiller (PCB Control)
65
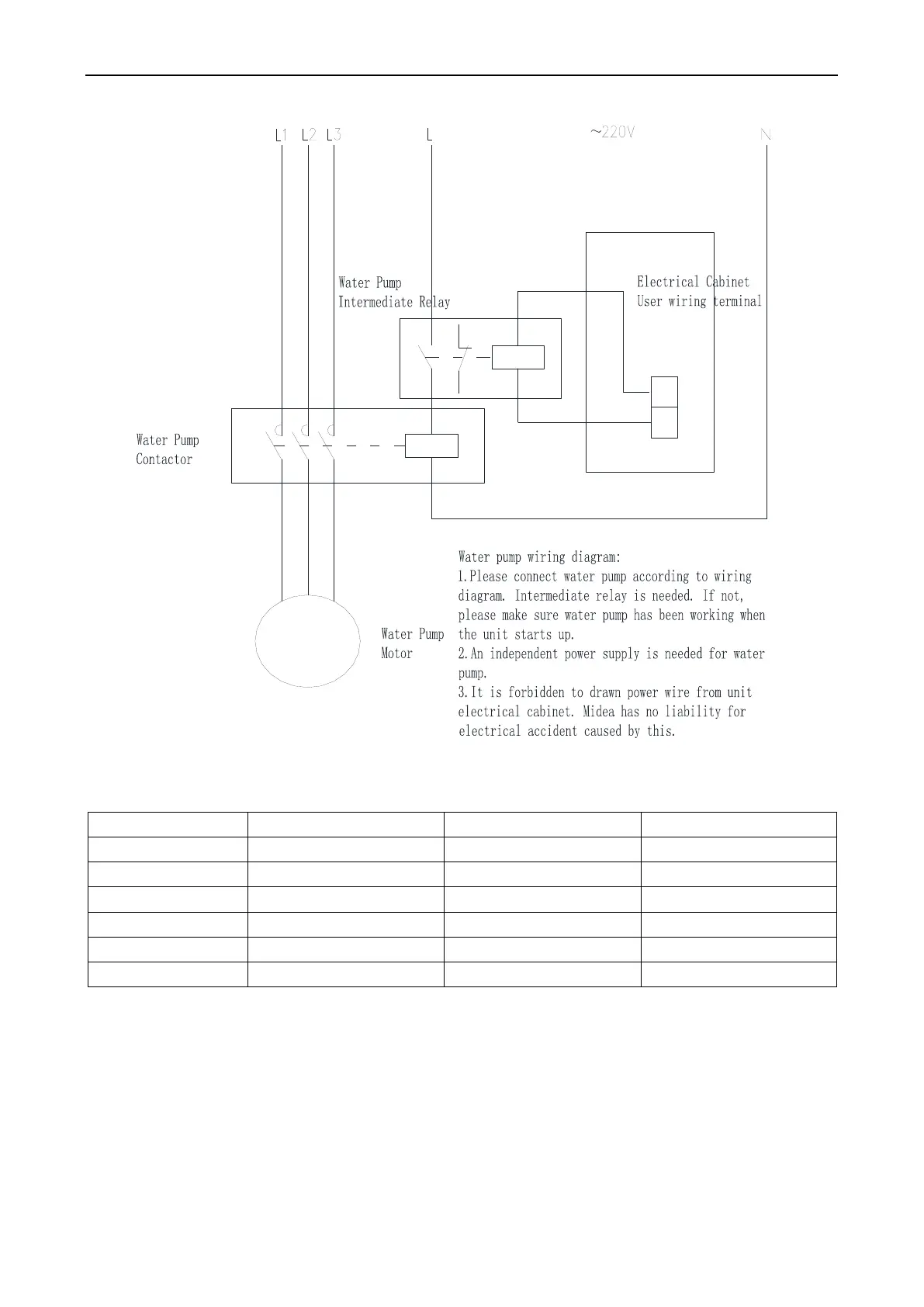
Water Pump Wiring Diagram
Recommended external wiring cable
Unit Model
External wiring cable (mm2)
Unit Model
External wiring cable (mm2)
MWSC340A-FB3
AWG1+AWG3
MWSC1080A-FB3
AWG400+AWG4/0
MWSC440A-FB3
AWG1/0+AWG3
MWSC1200A-FB3
AWG500+AWG250
MWSC540A-FB3
AWG3/0+AWG1
MWSC1385A-FB3
AWG600+AWG300
MWSC690A-FB3
AWG4/0+AWG1/0
MWSC1620A-FB3
(2×AWG300)+AWG300
MWSC805A-FB3
AWG300+AWG4/0
MWSC1780A-FB3
(2×AWG400)+AWG500
MWSC890A-FB3
AWG400+AWG4/0
Notice: The given wire length limits the voltage drop to < 2%. If the length can not be reduced, the power cord should be
bolder.
If the cable is installed in pipe or the ambient temperature is above 40, it's necessary to enlarge the wire section.Please
refer to relevant electrical code for selection according to the max. running current.
M
3~

Related product manuals