EasyManua.ls Logo

Midea SMK-D140HHN1-3 - Page 33

Midea SMK-D140HHN1-3
83 pages
Print Icon
To Next Page IconTo Next Page
To Next Page IconTo Next Page
To Previous Page IconTo Previous Page
To Previous Page IconTo Previous Page
Loading...
High Temperature Hydro Module
202003 31
Service
Manual
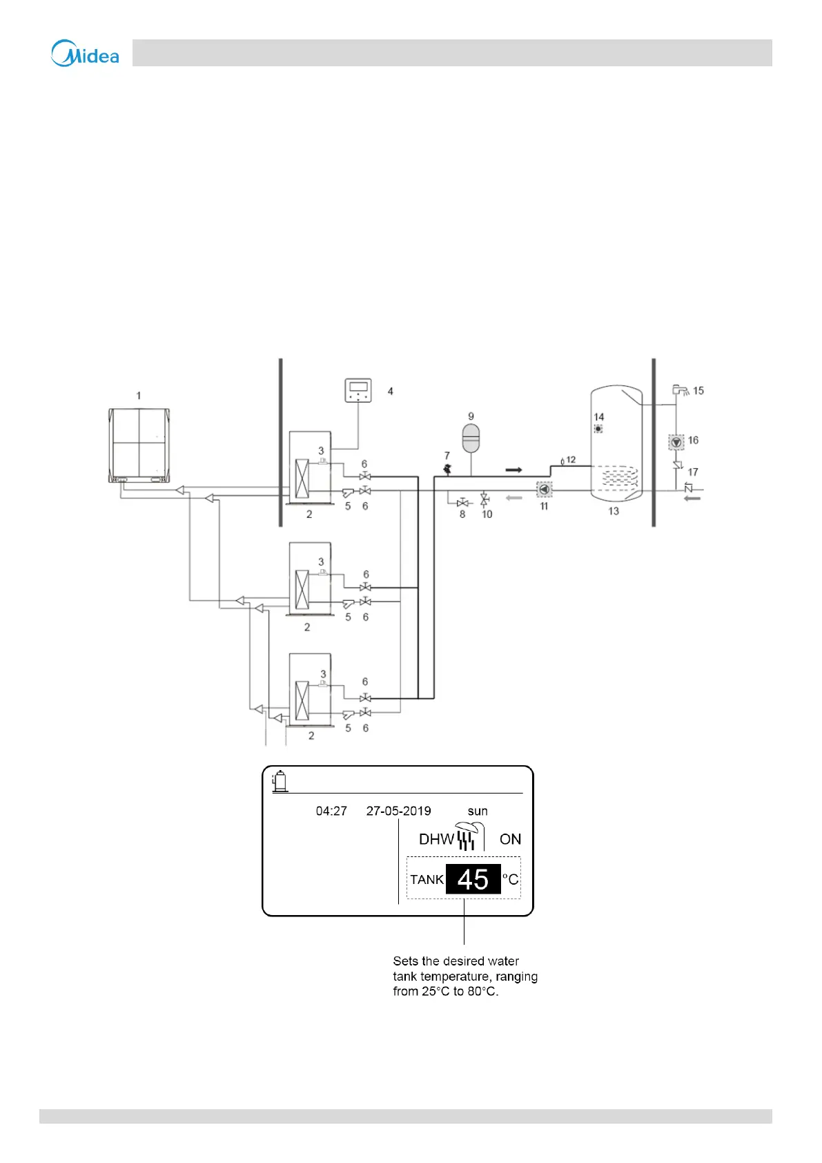
11.6 Scenario 6
Group control of the hydraulic module.
When multiple hydraulic modules heat water in one water tank, the group control function of the hydraulic module should be
used. (For more information, please read the Engineering Data.) The group control function is only valid for the DHW mode.
Notes:
1. The group control function of the hydraulic module is valid for the DHW mode only.
2. Master and slave hydraulic modules should be set. For instructions on how to set master and slave hydraulic modules, see
the Engineering Data.
3. The master hydraulic module must be connected to a wired controller. The main wired controller can be used to set
temperature.
4. The slave hydraulic module can be connected to or not connected to a wired controller. The secondary wired controller
provides some functions, such as parameter query.
5. The circulating pump and water tank temperature sensor should be connected to the master hydraulic module.

Other manuals for Midea SMK-D140HHN1-3

Related product manuals