EasyManua.ls Logo

Milwaukee MX FUEL MXF PTR2 - Functional Description

Milwaukee MX FUEL MXF PTR2
12 pages
Print Icon
To Next Page IconTo Next Page
To Next Page IconTo Next Page
To Previous Page IconTo Previous Page
To Previous Page IconTo Previous Page
Loading...
4
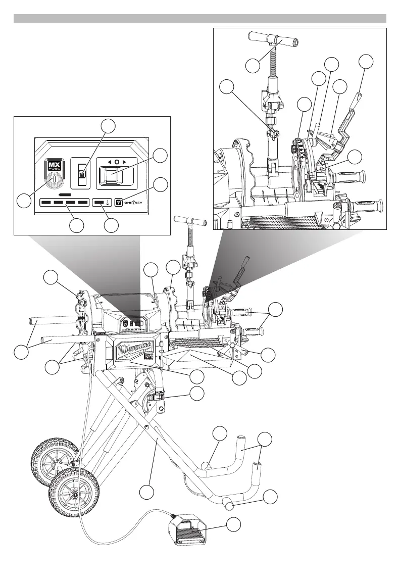
FUNCTIONAL DESCRIPTION
1. Hammer chucks
2. Foot switch holder
3. Accessory carriage handles
4. Carriage assembly adjuster
5. Debris tray
6. Oil reservoir
7. Battery bay
8. Cart latch
9. Cross bar
10. Cart handles
11. Cart
12. Cord holders
13. Accessory arms
14. Foot switch
15. Arm button
16. Speed control
17. Direction control
18. ONE-KEY™ indicator
19. Overtemperature
indicator light
20. Fuel gauge
21. Cutting wheel
22. Cutting wheel tightening
handle
23. Pipe scale
24. Die release lever
25. Clamp lever
26. Reamer
27. Reamer handle
28. Die head
2
1
16
17
18
19
20
15
22
24
23
21
25
26
27
28
11
4
7
8
1
2
1
12
1
2
3
5
6
13
14
9
10
9