EasyManua.ls Logo

Mimomax TORNADO - Input and Output Interfaces

Mimomax TORNADO
51 pages
Print Icon
To Next Page IconTo Next Page
To Next Page IconTo Next Page
To Previous Page IconTo Previous Page
To Previous Page IconTo Previous Page
Loading...
© MiMOMax Wireless Ltd
Tornado Product Manual
37
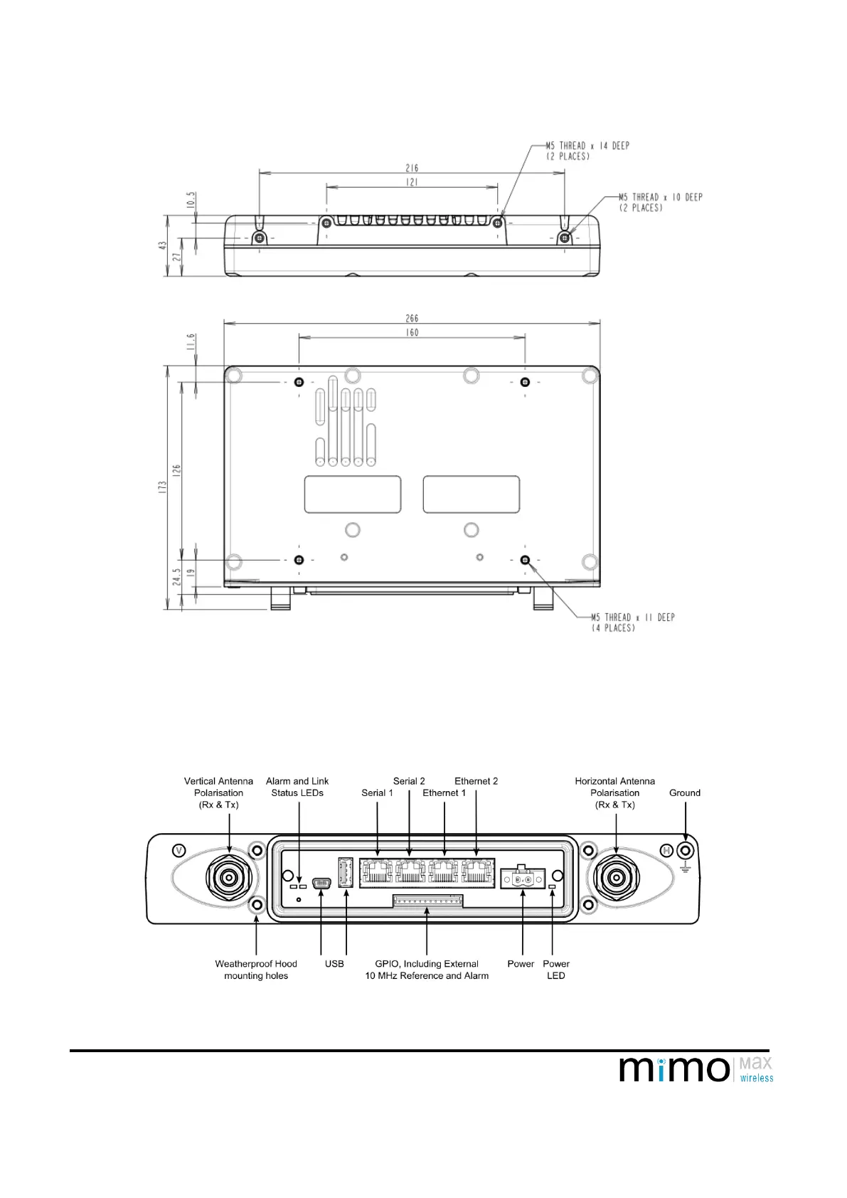
Mounting hole size, depth and location
8.2 INPUT AND OUTPUT
This section describes the general I/O of the device. It includes an overview of all connectors as well as LED’s and other
relevant electrical parameters. Refer to the Tornado serial manual for detailed information on the use of the serial interfaces.
Radio Connections and LEDs

Table of Contents