EasyManua.ls Logo

Mimomax TORNADO - Page 45

Mimomax TORNADO
51 pages
Print Icon
To Next Page IconTo Next Page
To Next Page IconTo Next Page
To Previous Page IconTo Previous Page
To Previous Page IconTo Previous Page
Loading...
© MiMOMax Wireless Ltd
Tornado Product Manual
45
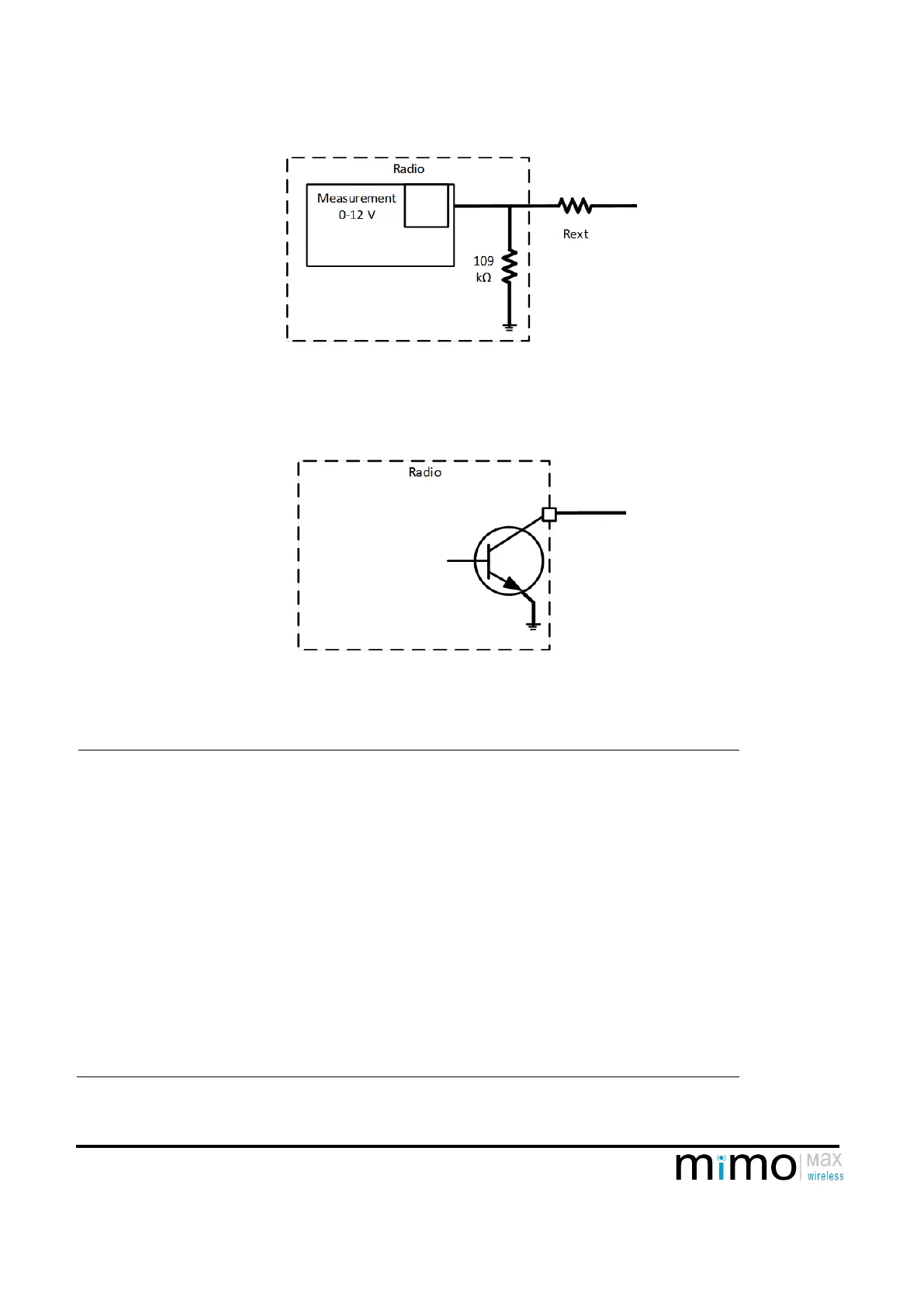
Next use the GPIO input calibration process to calibrate the system through the external resistor. This process will
be based on a known voltage before the resistor.
GPIO Input Circuit
GPIO as digital output:
The GPIO pins provide an open collector output, which can be used to drive a relay or generate a level. The
current can be up to 100 mA.
GPIO Output Circuit
Signal Name
Pin number
Colour on MiMOMax cable
Not Connected
1
n/a
Ext Ref n
2
Brown
Ext Ref p
3
Red
GPIO Ground (Radio Ground)
4
Orange
GPIO_4
5
Yellow
GPIO_3
6
Green
GPIO_2
7
Blue
GPIO_1
8
Violet
Open in Alarm
9
Grey
Alarm Comm
10
White
Closed in Alarm
11
Black
Not Connected
12
n/a
Table 4: GPIO pin out

Table of Contents