EasyManua.ls Logo

MIOX RIO Series - Pressure Transducer Installation (Optional); Figure 23 Pressure Transducer Assembly

MIOX RIO Series
82 pages
Print Icon
To Next Page IconTo Next Page
To Next Page IconTo Next Page
To Previous Page IconTo Previous Page
To Previous Page IconTo Previous Page
Loading...
MIOX RIO Series Operators Manual
P/N: 102-00076-G Page 37
system uses electronic commands to start and stop. There are three different commands
you can send to the system. The first command is used to tell the system to run or stop.
The other two are used together to makes sure the connection between the OSG and
network controller is functioning. The first of the two commands tells the system to count to
ten (10). The second command resets the system counter to zero (0). If the systems
counter reaches ten (10) before it receives the second command, the system will fault.
Functionally this means the network controller must send the reset command at least once
every ten (10) seconds to prevent the system from faulting.
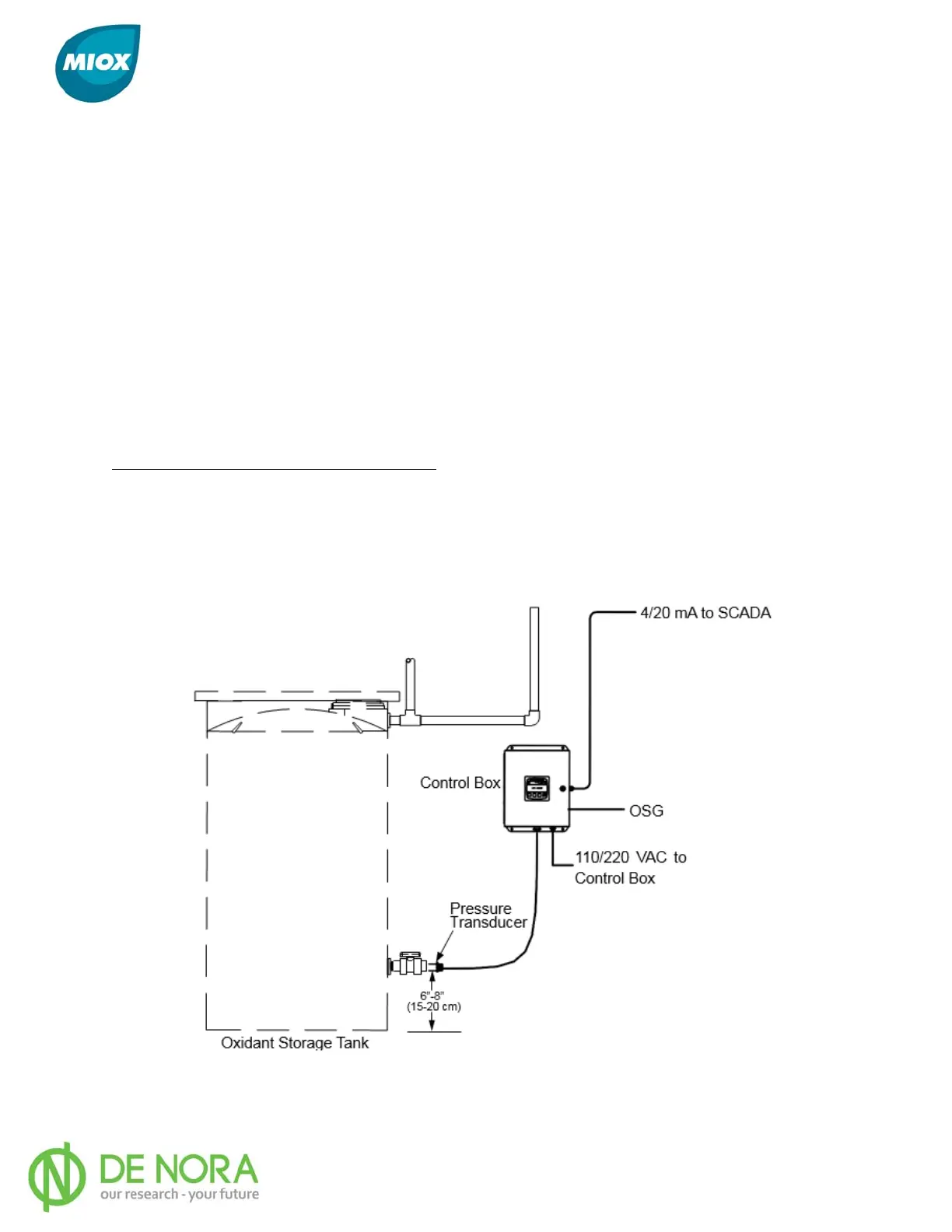
Pressure Transducer Installation (Optional)
The pressure transducer system consists of GF Signet Pressure Transducer and a control
box. The control box is designed to mount on a wall and must be in an indoor location no
more than 75 ft. (22.9 m) from the oxidant storage tank. All external wiring from the control
box is provided by the customer. The control box requires 110 or 220 VAC. Refer to
Manufacturer’s Manual for installation guidelines
Recommended Tools and Test Equipment
Small pocket flat head screwdriver
Diagonal Cutters
Wire Strippers
Digital mulit-meter
Figure 23 Pressure Transducer Assembly

Table of Contents

Related product manuals