EasyManua.ls Logo

Mitsubishi MR-J4-10A - Page 54

Mitsubishi MR-J4-10A
640 pages
To Next Page IconTo Next Page
To Next Page IconTo Next Page
To Previous Page IconTo Previous Page
To Previous Page IconTo Previous Page
Loading...
1. FUNCTIONS AND CONFIGURATION
1 - 37
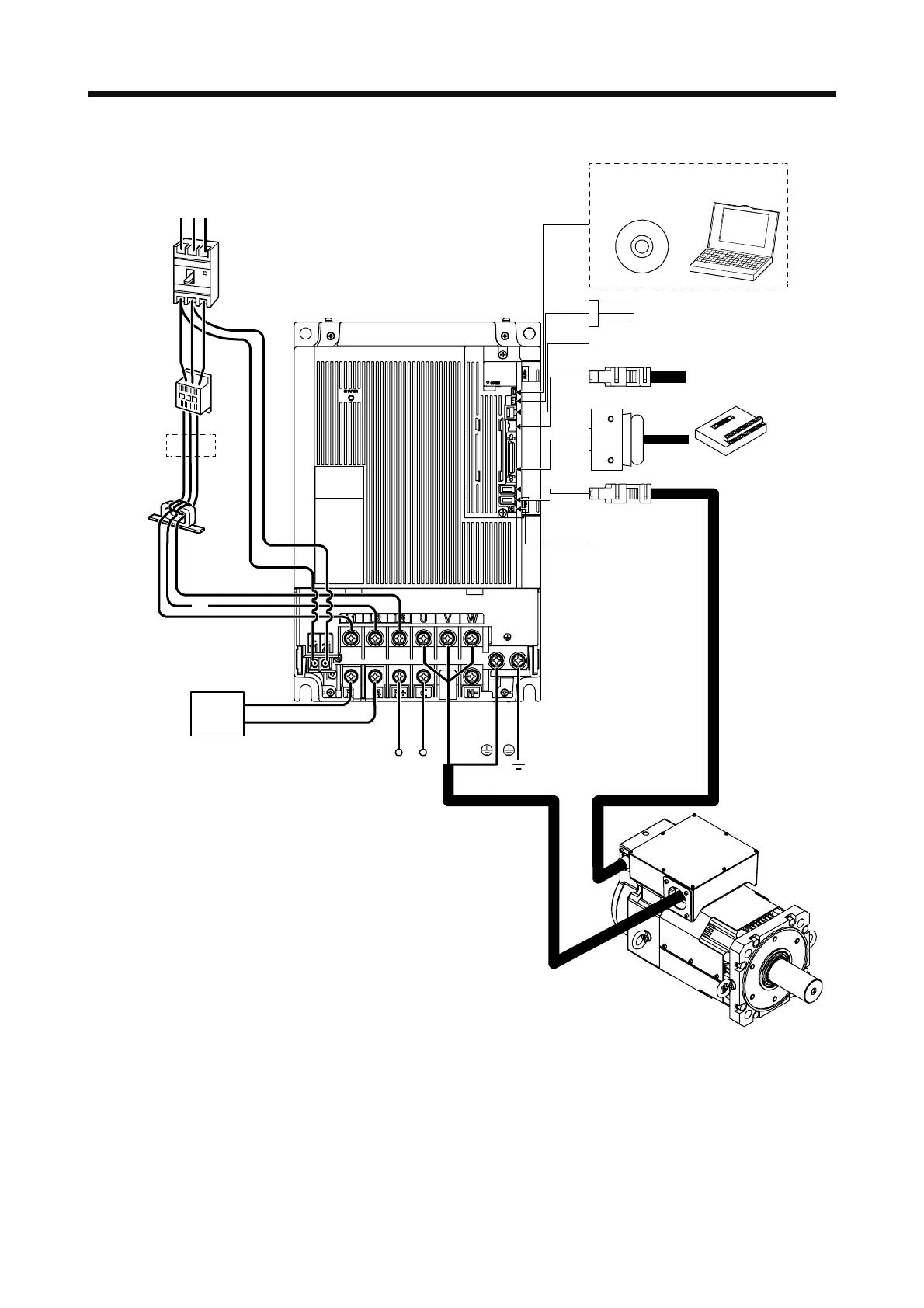
(f) MR-J4-22KA(-RJ)
P+
C
L11
L21
P3
P4
CN2
W
VU
L3
L2
L1
CN5
MR Configurator2
CN6
CN3
CN8
CN1
CN4
RS T
CN2L
(Note 4)
(Note 1)
Molded-case
circuit breaker
(MCCB)
(Note 2)
Power
supply
(Note 3)
Magnetic
contactor
(MC)
Line noise
filter
(FR-BLF)
Regenerative
option
Power factor
improving DC
reactor
(FR-HEL)
Servo motor
Personal
computer
To safety relay or
MR-J3-D05 safety
logic unit
Analog monitor
Junction terminal block
Personal computer and other
Battery
Note 1. The power factor improving AC reactor can also be used. In this case, the power factor improving DC reactor cannot be used.
When not using the power factor improving DC reactor, short P3 and P4.
2. For the power supply specifications, refer to section 1.3.
3. Depending on the main circuit voltage and operation pattern, bus voltage decreases, and that may cause the forced stop
deceleration to shift to the dynamic brake deceleration. When dynamic brake deceleration is not required, slow the time to turn
off the magnetic contactor.
4. This is for the MR-J4-_A-RJ servo amplifier. The MR-J4-
_
A servo amplifier does not have the CN2L connector. When using an
MR-J4-_A-RJ servo amplifier in the linear servo system or in the fully closed loop system, connect an external encoder to this
connector. Refer to table 1.1 and "Linear Encoder Instruction Manual" for the compatible external encoders.

Table of Contents

Related product manuals