EasyManua.ls Logo

Mitsubishi MR-J4-20A - Page 24

Mitsubishi MR-J4-20A
640 pages
Print Icon
To Next Page IconTo Next Page
To Next Page IconTo Next Page
To Previous Page IconTo Previous Page
To Previous Page IconTo Previous Page
Loading...
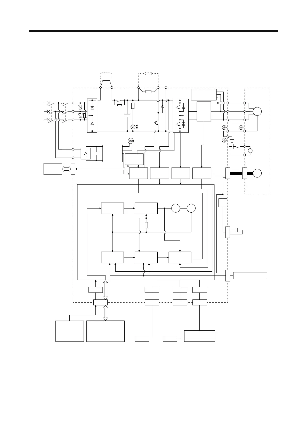
1. FUNCTIONS AND CONFIGURATION
1 - 7
(b) MR-J4-500A4(-RJ)/MR-J4-700A4(-RJ)
U U
U
Model position
Current
control
Actual
position
control
Actual
speed
control
Virtual
motor
Virtual
encoder
L11
L21
Cooling fan
Encoder
N-C
L3
L2
L1
Dynamic
brake
circuit
Current
detection
Overcurrent
protection
Voltage
detection
(Note 1)
Power
supply
MCMCCB
Base
amplifier
STO
circuit
Position
command
input
Servo amplifier
U
V
W
U
V
W
P3 P4 (Note 2)
Diode
stack
Relay
P+
+
+
B
RA
24 V DC
B1
B2
Optional battery
(For absolute
position detection
system)
CN4
STO
switch
Model speed Model torque
M
CN2
CN8
Control
circuit
power
supply
Model
position
control
Model
speed
control
Servo motor
Charge
lamp
Regene-
rative
TR
Current
detector
Regenerative
option
CN5 CN3 CN6
Analog monitor
(2 channels)
I/F
USB RS-422 D/AA/D
USB RS-422
Controller
Personal
computer
Analog
(2 channels)
DI/O control
•Servo-on
•Input command pulse.
•Start
•Malfunction, etc
CN1
Step-
down
circuit
External encoder
(Note 3)
(Note 4)
Power factor
improving
DC reactor
Electromagnetic
brake
CN2L
Note 1. Refer to section 1.3 for the power supply specification.
2. MR-J4 servo amplifier has P3 and P4 in the upstream of the inrush current suppression circuit. They are different from P1 and
P2 of MR-J3 servo amplifiers.
3. This is for MR-J4-_A4-RJ servo amplifier. MR-J4-_A4 servo amplifier does not have CN2L connector.
4. The power factor improving AC reactor can also be used. In this case, the power factor improving DC reactor cannot be used.
When not using the power factor improving DC reactor, short P3 and P4.

Table of Contents

Related product manuals