EasyManua.ls Logo

Mitsubishi MR-J4-20A - Page 406

Mitsubishi MR-J4-20A
640 pages
To Next Page IconTo Next Page
To Next Page IconTo Next Page
To Previous Page IconTo Previous Page
To Previous Page IconTo Previous Page
Loading...
11. OPTIONS AND AUXILIARY EQUIPMENT
11 - 75
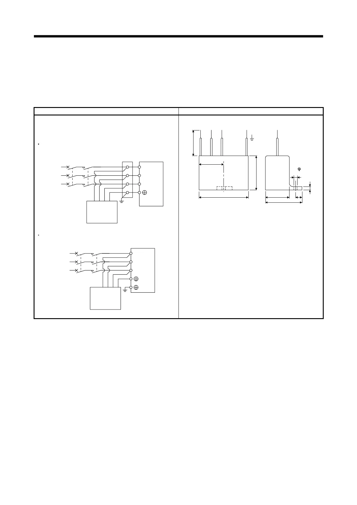
(e) Radio noise filter (FR-BIF-(H))
This filter is effective in suppressing noises radiated from the power supply side of the servo
amplifier especially in 10 MHz and lower radio frequency bands. The FR-BIF is designed for the
input only.
200 V class: FR-BIF
400 V class: FR-BIF-H
Connection diagram Dimensions [Unit: mm]
Make the connection cables as short as possible. Grounding is
always required.
When using the FR-BIF with a single-phase power supply, always
insulate the lead wires that are not used for wiring.
MR-J4-350A(-RJ) or less/MR-J4-350A4(-RJ) or less
Radio noise
filter
Servo amplifier
Power
supply
MC
MCCB
L3
L2
L1
Terminal
block
MR-J4-500A(-RJ) or less/MR-J4-500A4(-RJ) or less
L3
L2
L1
MCMCCB
Radio noise
filter
Servo amplifier
Power
supply
hole
Leakage current: 4 m
A
29
58
42
4
Red BlueWhite Green
44
29
7
5
Approx. 300

Table of Contents

Related product manuals