EasyManua.ls Logo

Mitsubishi MSH-30RV - Wiring Diagram; MSH-18 RV Indoor Unit Wiring; MUH-18 RV Outdoor Unit Wiring

Mitsubishi MSH-30RV
88 pages
To Next Page IconTo Next Page
To Next Page IconTo Next Page
To Previous Page IconTo Previous Page
To Previous Page IconTo Previous Page
Loading...
13
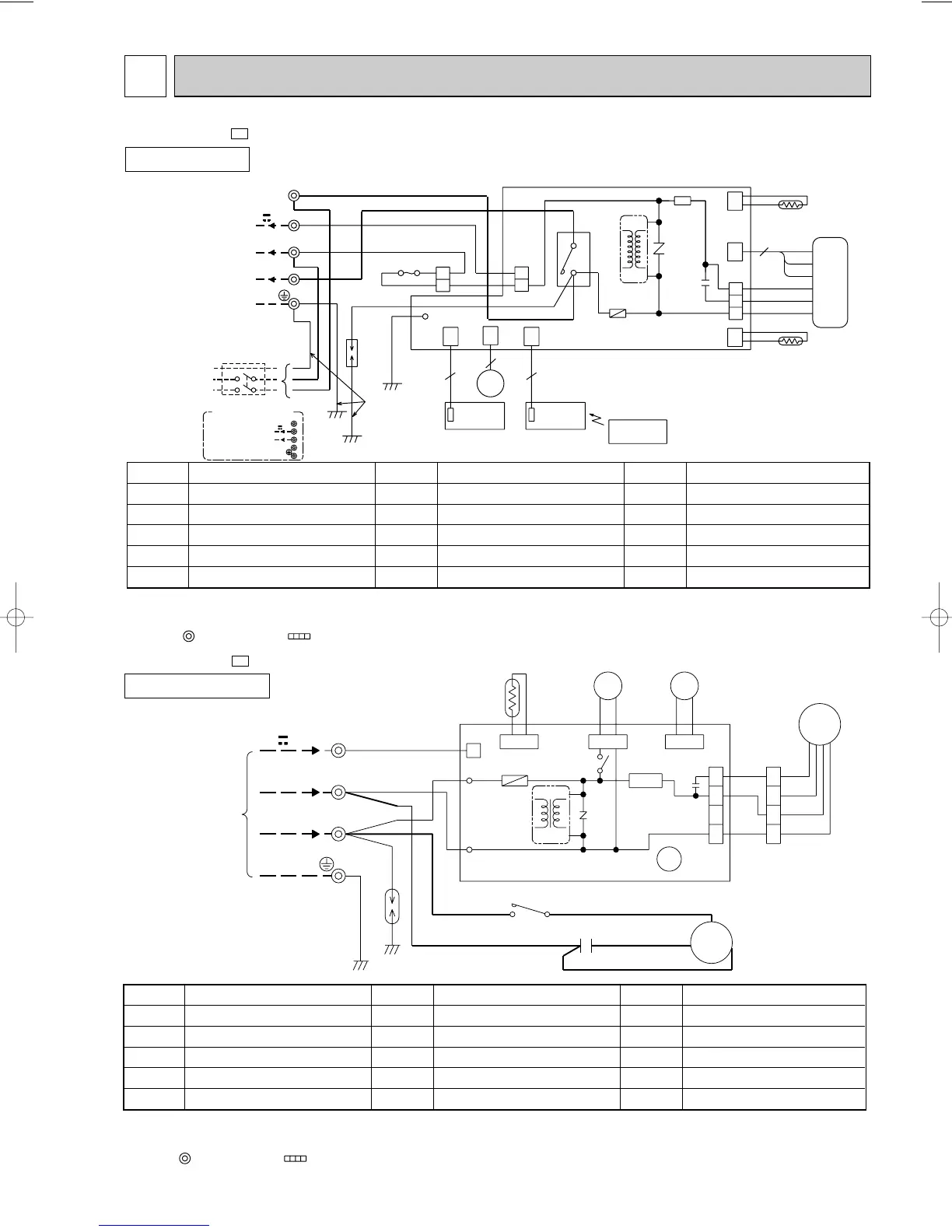
WIRING DIAGRAM
6
MSH-18RV -
E1
MUH-18RV -
E1
MODEL WIRING DIAGRAM
MODEL WIRING DIAGRAM
INDOOR UNIT
OUTDOOR UNIT
BRN
BRN
BLU
102
CN
151
CN
101
CN
REMOTE
CONTROLLER
3
RECEIVER
P.C. BOARD
DISPLAY
P.C. BOARD
MV
5
3
BLU
WHT
L
2
BLU
BLU
F12
2
1
LD1
GRN/YLW
DSAR
POWER SUPPLY
CORD
~/N 220-240V
50Hz
PE
CIRCUIT BREAKER
FOR MULTI SYSTEM
TO OUTDOOR
UNIT
CONNECTING
ELECTRONIC CONTROL P.C. BOARD
12V
52C
RT12
IC141
112
CN
RT11
111
CN
HIC1
NR11
TRANS
200-240V~
3
1
4
2
1
C11
CN211
BLK
WHT
GRY
RED
F11
MF
3
121
CN
TO OUTDOOR
UNIT
CONNECTING
RED
3
N
2
12V
3
N
GRN/YLW
TB
YLW
BRN
4
3
CN201
BLU
VG79B021H01
1.About the outdoor side electric wiring refer to the outdoor unit electric wiring diagram for servicing.
2.Use copper conductors only. (For field wiring)
3.Symbols below indicate.
: Connector
: Terminal block
NOTES:
SYMBOL
C11
DSAR
F11
F12
HIC1
NAME
INDOOR FAN CAPACITOR
SURGE ABSORBER
FUSE (3.15A)
THERMAL FUSE (93;)
DC/DC CONVERTER
SYMBOL
IC141
MF
MV
NR11
RT11
NAME
HYBRID IC
INDOOR FAN MOTOR (INNER FUSE)
VANE MOTOR
VARISTOR
ROOM TEMPERATURE THERMISTOR
SYMBOL
RT12
TB
52C
NAME
INDOOR COIL TEMPERATURE THERMISTOR
TERMINAL BLOCK
CONTACTOR
L
FROM INDOOR UNIT
CONNECTING
12V
3
TB
RED
RED RED
ORN
WHT
BLK
RT61
F61
X62
1
1
2
3
4
1
2
3
4
CN730
CN661 CN721 CN720
SR61
CN711
TAB21
TRANS
TAB20
RED
S
C
R
MC
MF
BLK
BLK
BLU
BLU
WHT
WHT
WHT
DEICER P.C. BOARD
WHTNO COM
52C
C1
52C
X62
21S4
WHT
DSAR
GRN/YLW
IC881
NR61
C65
BLK
BLK
VLT
VLT
N
2
220-240V~
1.About the indoor side electric wiring refer to the indoor unit electric wiring diagram for servicing.
2.Use copper conductors only. (For field wiring)
3.Symbols below indicate.
: Connector
: Terminal block
NOTES:
SYMBOL
C1
C65
DSAR
F61
IC881
NAME
COMPRESSOR CAPACITOR
OUTDOOR FAN CAPACITOR
SURGE ABSORBER
FUSE (2A)
DC/DC CONVERTER
SYMBOL
MC
MF
NR61
RT61
SR61
NAME
COMPRESOR (INNER PROTECTOR)
OUTDOOR FAN MOTOR (INNER PROTECTOR)
VARISTOR
DEFROST THERMISTOR
SOLID STATE RELAY
SYMBOL
TB
X62
21S4
52C
NAME
TERMINAL BLOCK
R.V. COIL RELAY
R.V. COIL
COMPRESSOR CONTACTOR
SG79J004H01
OB272-1.qxp 02.1.26 1:22 PM Page 13

Related product manuals