EasyManua.ls Logo

Mitsubishi QX42 - Page 140

Mitsubishi QX42
158 pages
To Next Page IconTo Next Page
To Next Page IconTo Next Page
To Previous Page IconTo Previous Page
To Previous Page IconTo Previous Page
Loading...
11 - 7 11 - 7
MELSEC-Q
11 I/O MODULE TROUBLESHOOTING
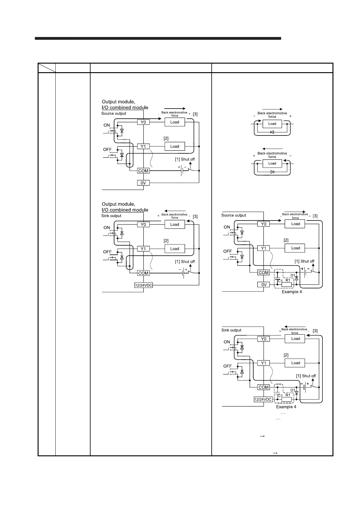
Table 11.2 Output Circuit Problems and Corrective Actions (Continued)
Condition Cause Corrective action
Example 5
The load
momentarily
turns on
when the
system is
powered off
(transistor
output).
If an inductive load is connected, the load may turn on
from off ([2]) due to back electromotive force at the
time of power-off ([1]).
Take one of the following actions.
(1) To suppress back electromotive force, connect a
diode in parallel with the load where the back
electromotive force has been generated.
Source output
[3]
Sink output
[3]
(2) Configure another current path by connecting a
diode across positive and negative of the external
power supply.
When the corrective action described in the
example 4 is taken at the same time, connect a
diode in parallel with C1 and R1.
* The measures are ineffective in the following
modules due to the characteristic of the external
power supply circuit
QY81P
QY82P
D1: Reverse voltage VR(VRM) *1,
Forward current IF(IFM) *2
*1 Approximately 10 times higher than the rated
voltage in the specifications
Example: 24 VDC Approximately 200V
*2 Two times or more as much as the maximum load
current (common) in the specifications
Example: 2A/1 common 4A or more
(To the next page)

Table of Contents

Related product manuals