EasyManua.ls Logo

Modena ES 10D - Appendix: Wiring Diagram; Wiring Diagram for ES 10 D, 15 D, 30 D

Modena ES 10D
42 pages
Print Icon
To Next Page IconTo Next Page
To Next Page IconTo Next Page
To Previous Page IconTo Previous Page
To Previous Page IconTo Previous Page
Loading...
40
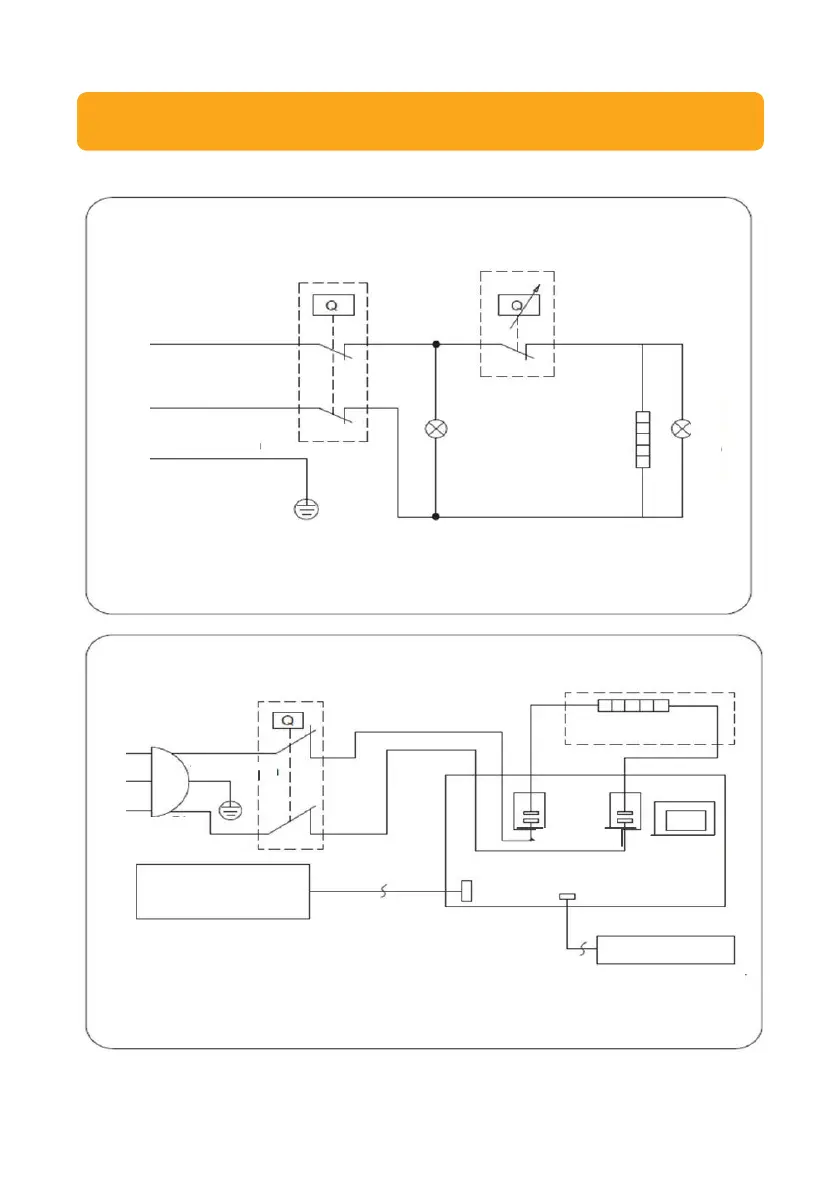
APPENDIX: WIRING DIAGRAM
Thermal
Cut-out
Thermostat
Power
Indicator
Brown
Blue
Yellow/Green
L
N
E
Heating Element
Heating Indicator
WIRING DIAGRAM ES 10D, ES 15D, ES 30D
WIRING DIAGRAM ES 10DR
Thermal
Cur-out
Heating Element
LED Display
Transformer
Temperature
Sensor
Relay
Relay
PCB
L
N
E
Remark:
L : Brown
E : Yellow/Green
N : Blue

Other manuals for Modena ES 10D

Related product manuals