EasyManua.ls Logo

Moffat Turbofan E32D5 - Electrical Schematics; Electrical Schematic E32 D5 Turbofan Oven

Moffat Turbofan E32D5
21 pages
Print Icon
To Next Page IconTo Next Page
To Next Page IconTo Next Page
To Previous Page IconTo Previous Page
To Previous Page IconTo Previous Page
Loading...
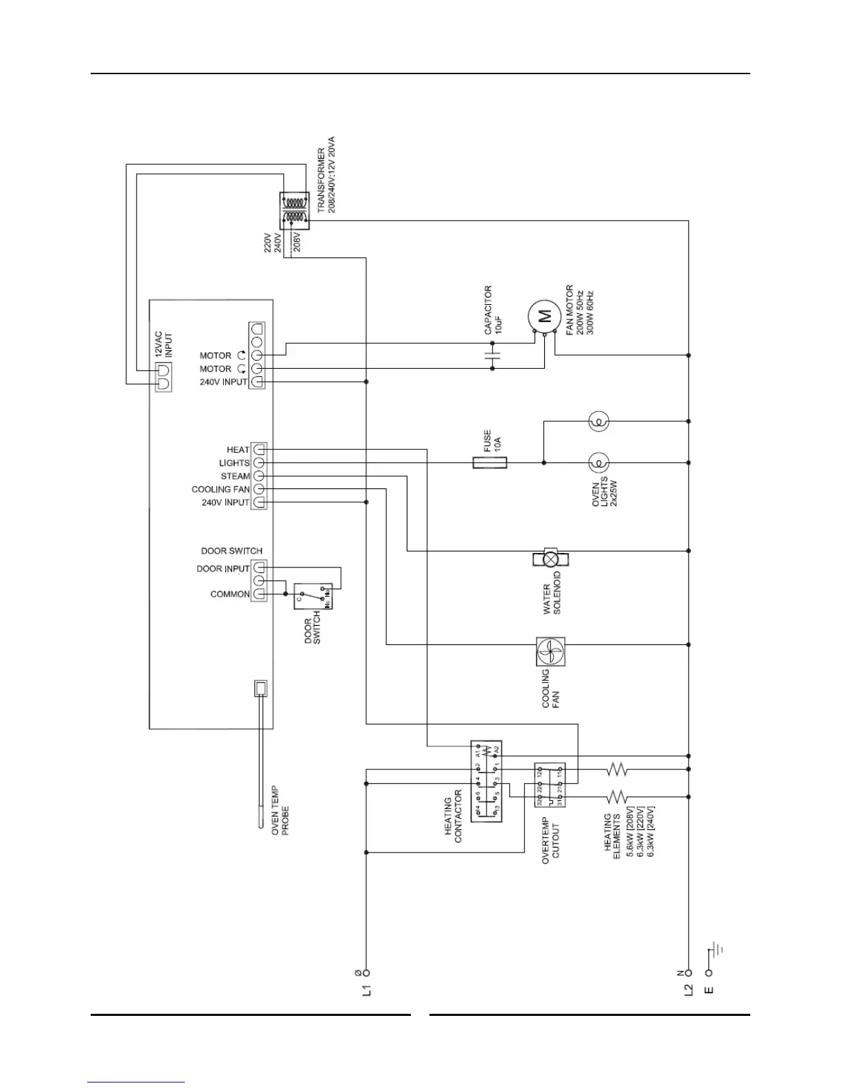
Electrical Schematics
16
Electrical Schematic E32D5 Turbofan Oven

Related product manuals