EasyManua.ls Logo

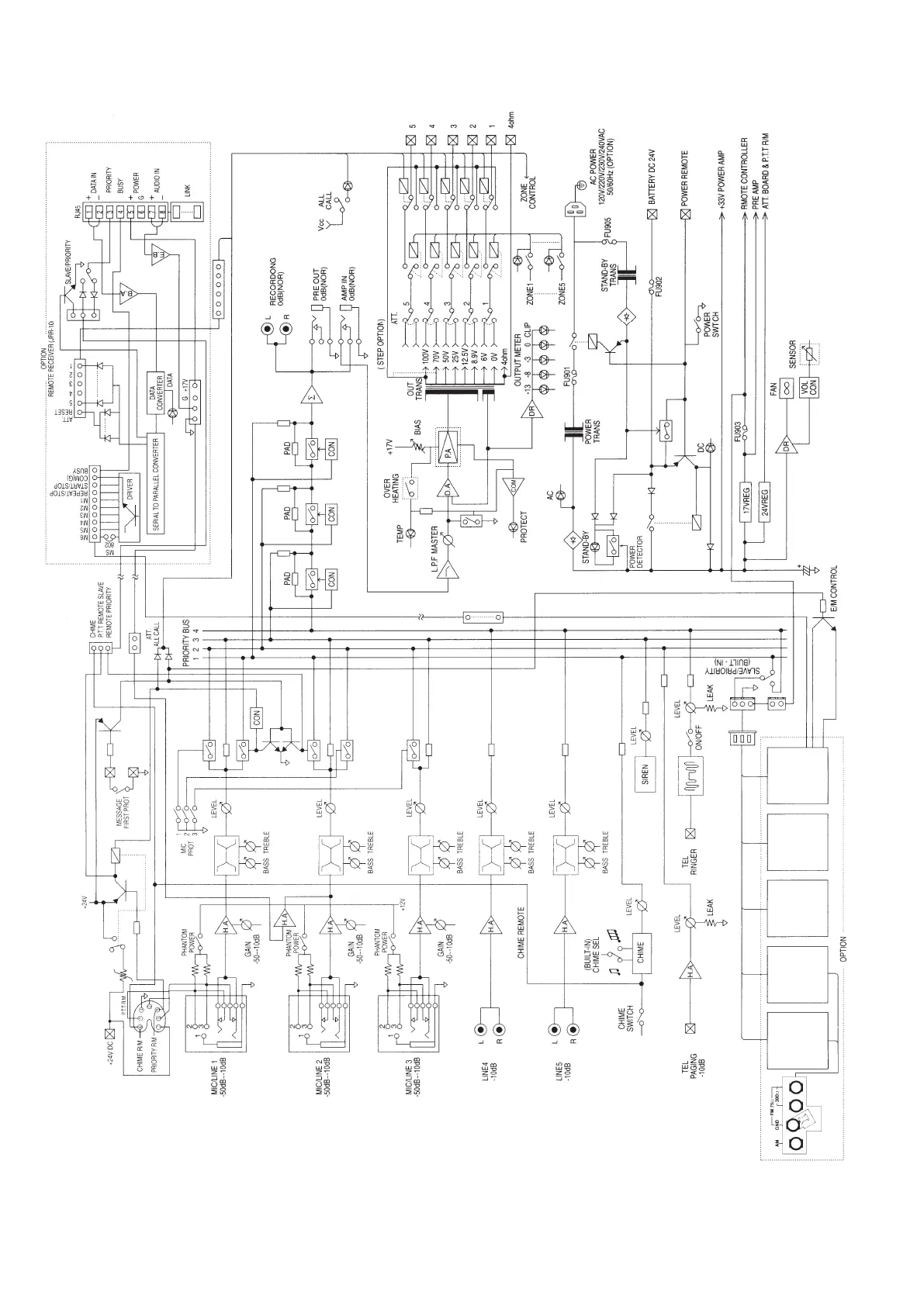
Monacor PA-1120 - Blockschaltbild; Block Diagram; Schéma; Schema Elettrico

Monacor PA-1120
44 pages
Print Icon
To Next Page IconTo Next Page
To Next Page IconTo Next Page
To Previous Page IconTo Previous Page
To Previous Page IconTo Previous Page
Loading...
43
PA-1120DMT
DIGITAL
MESSAGE
PA-1200C
TIMER
PA-1130CD
CD PLAYER
PA-1140RCD
RADIO +
CD PLAYER
PA-1200RDS
RADIO
Blockschaltbild
Block diagram

Table of Contents

Related product manuals