EasyManua.ls Logo

Monitor 41 - Page 50

Default Icon
70 pages
Print Icon
To Next Page IconTo Next Page
To Next Page IconTo Next Page
To Previous Page IconTo Previous Page
To Previous Page IconTo Previous Page
Loading...
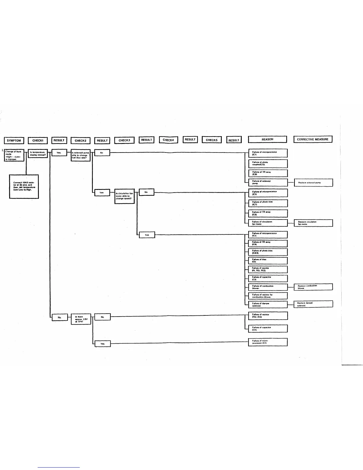
REASON
1
I
CORRECTIVE MEASURE
able
10
change
ctmmct
lmn
,*sir
la
a1
O
pins. and
Ma.
ul
tsmrrlura
llDn
Lar
Io
Hbh.
mrpln(lC121.
Failw
01
TR
anay
llcM
Reol~s
Sdolsrmd
punD
I
1s circulal~an Ian
malot
able
to
change
wed7
I
Failua 01 citmlalfim
Wacs
cidahon
Ian
mla
Isr
mta.
I
Fdlua
a(
phrro
mac
Fail-
PI
biec
I
-
I
-
Failw ol mnbrnlim
Max
crrrhaum
-
blm:
blaa
I
Fsilus
d
resirta
la
9
-1irn~m-a.
Failua 01
darpa
Maca
daroer
-
sdemid.
Jdemid
I
Failua
ol
camcitr,
Icill.
I
Failua
ol
mi-

Table of Contents

Related product manuals