EasyManua.ls Logo

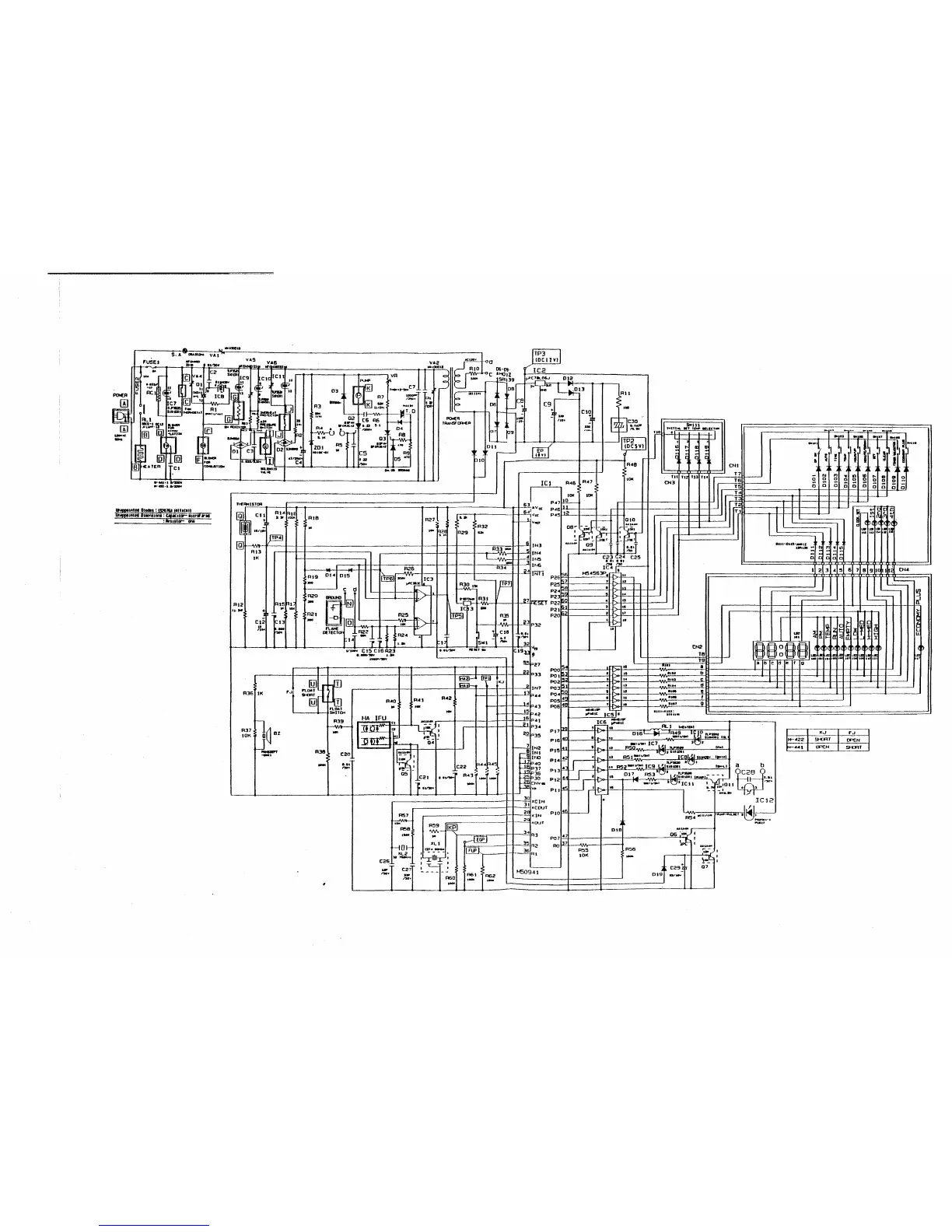
Monitor 422 - Section 7: Electrical System; Printed Circuit Wiring Diagram

Default Icon
70 pages
Print Icon
To Next Page IconTo Next Page
To Next Page IconTo Next Page
To Previous Page IconTo Previous Page
To Previous Page IconTo Previous Page
Loading...

Table of Contents

Related product manuals