EasyManua.ls Logo

Moog RKP-II - Preparing for Pump Mounting

Moog RKP-II
72 pages
To Next Page IconTo Next Page
To Next Page IconTo Next Page
To Previous Page IconTo Previous Page
To Previous Page IconTo Previous Page
Loading...
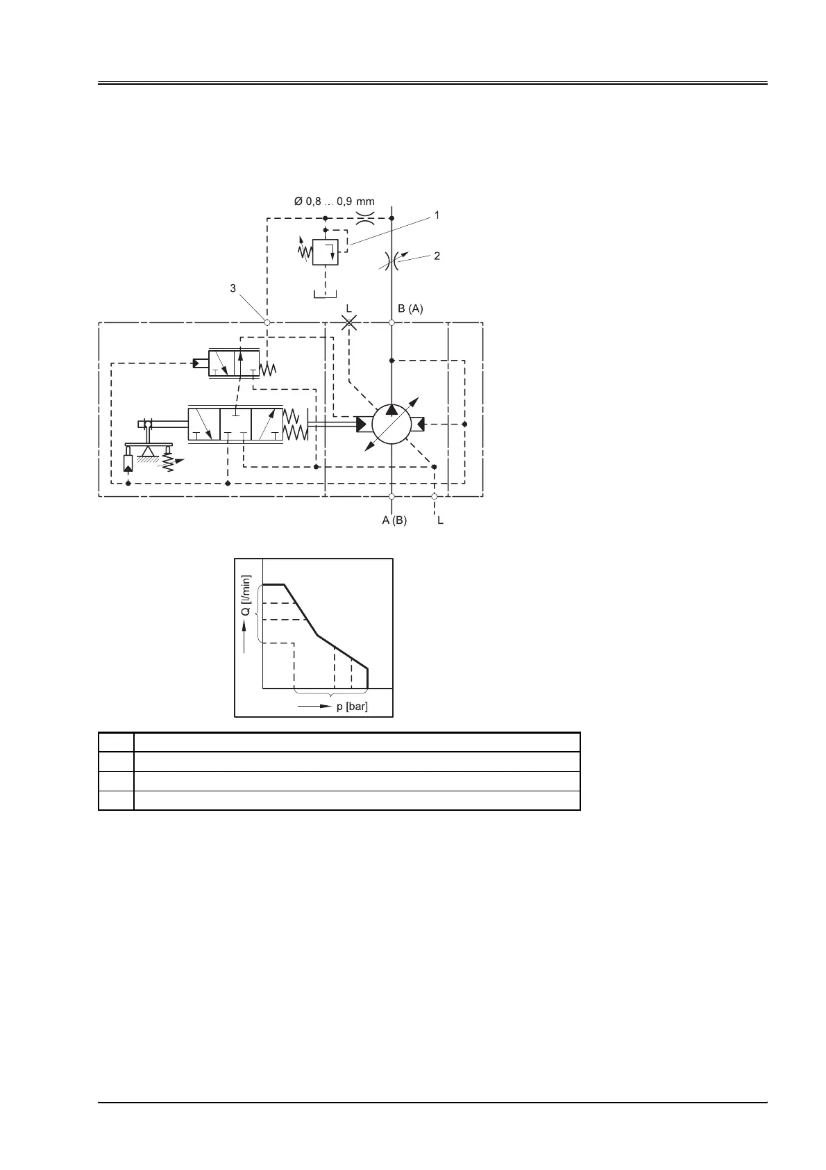
3 Product Description Compensator Operation
© 2010 Moog GmbH User Manual RKP-II (CA53461-001; Version 2, January 2010) 25
3.5.9 Power Control, S2
Hydraulically operated power control with superimposed pressure and
displacement limitation
Power Control, S2
Fig. 16: Power control, S2
Pos. Description
1 Pressure p setting
2 Flow control Q setting
3 Control port

Table of Contents

Related product manuals