EasyManua.ls Logo

Mosa Magic Weld - Page 152

Mosa Magic Weld
164 pages
Print Icon
To Next Page IconTo Next Page
To Next Page IconTo Next Page
To Previous Page IconTo Previous Page
To Previous Page IconTo Previous Page
Loading...
© MOSA 1.0-09/04
12/04/02 27070-I
MAGIC WELD
M
53
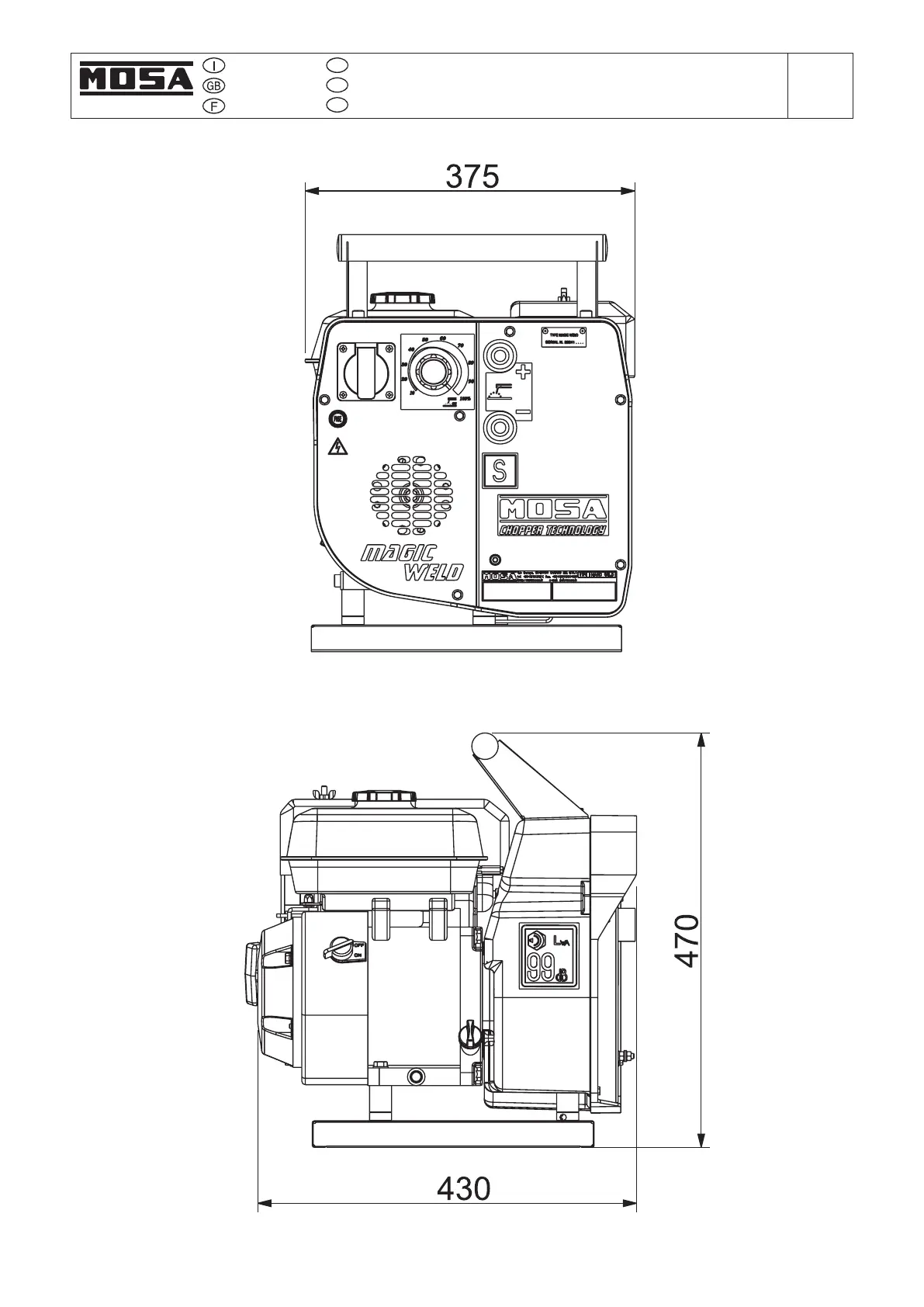
Dimensioni
Dimensions
Dimensions
Abmessungen
Dimensiones
E
D
NL

Other manuals for Mosa Magic Weld

Related product manuals