EasyManua.ls Logo

Mosa Magic Weld - Page 154

Mosa Magic Weld
164 pages
Print Icon
To Next Page IconTo Next Page
To Next Page IconTo Next Page
To Previous Page IconTo Previous Page
To Previous Page IconTo Previous Page
Loading...
21/05/04 22243-I
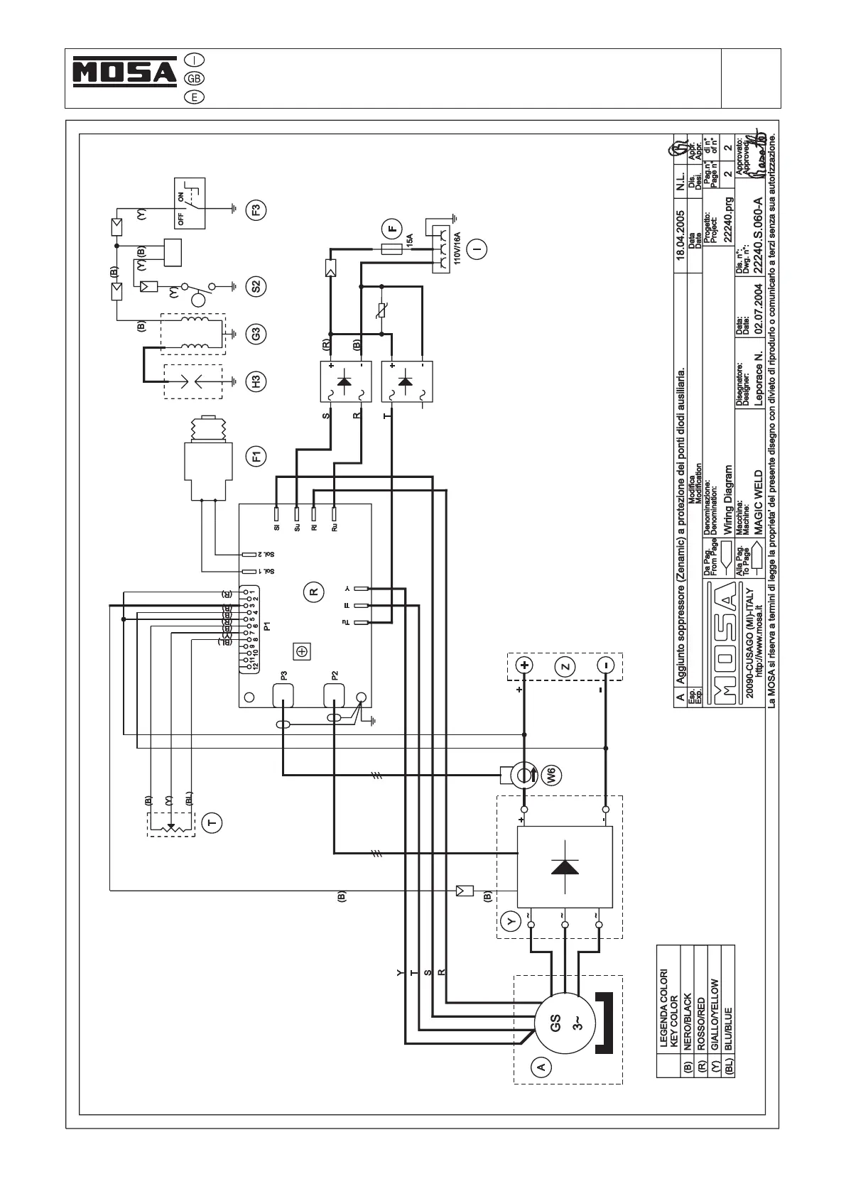
Schema elettrico
Electric diagram
Esquema eléctrico
MAGIC WELD
(110V version)
M
61
© MOSA 1.1-11/05

Other manuals for Mosa Magic Weld

Related product manuals