EasyManua.ls Logo

Mosa Magic Weld - Page 156

Mosa Magic Weld
164 pages
Print Icon
To Next Page IconTo Next Page
To Next Page IconTo Next Page
To Previous Page IconTo Previous Page
To Previous Page IconTo Previous Page
Loading...
21/05/04 22243-I
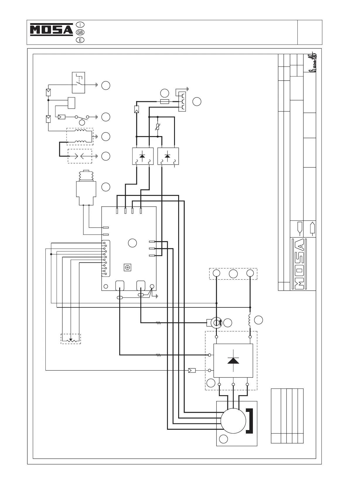
Schema elettrico
Electric diagram
Esquema eléctrico
MAGIC WELD
(ITALY Version)
M
61.2
© MOSA 1.1-03/05
20090-CUSAGO (MI)-ITALY
20090-CUSAGO
(MI)-ITALY
http://www.mosa.it
MAGIC WELD
MAGIC WELD
Wiring Diagram
Wiring
Diagram
22243.prg
22243.S.060-A
Leporace N.
Leporace N.
2
Approvato:
Esp.
Data
Dis.
Appr.Modifica
Denominazione:
Macchina:
Data:
Progetto:
di
di
Pag.n°
2
Date
Appr.
Approved:
Project:Denomination:
Machine:
Modification
Date:
Da Pag.
Da Pag.
Alla Pag.
Alla
Pag.
To Page
To Page
From Page
From
Page
Designer:
of
of
Desi.
Dis. n°:
Dis. n°:
Exp.
Page
Page
Dwg. n°:
Dwg. n°:
Disegnatore:
La MOSA si riserva a termini di legge la proprieta' del presente disegno con divieto di riprodurlo o comunicarlo a terzi senza sua autorizzazione.
La MOSA si riserva a termini di legge la proprieta'
del presente disegno con divieto di riprodurlo o comunicarlo a terzi senza sua autorizzazione.
-
+
T
(R)
(B)
KEY COLOR
LEGENDA COLORI
NERO/BLACK
(R)
ROSSO/RED
(B)
(B)
Y
T
S
R
S
R
(B)
GIALLO/YELLOW
(B)
(Y)(B)(Y)
(Y)
(B)
(Y)
(B)
(B)
(Y)
(BL)
(BL)
BLU/BLUE
(BL)
(Y)
(R)
(B)
(B)
(R)
-
+
Z
3~
GS
A
W
+
-
+
-
F
10A
230V/16A
H
W6
Y
F1
S2G3H3
ONOFF
F3
P1
P3
P2
Sol. 1
Sol. 1
Sol. 2
Sol. 2
Si
Su
Ri
Ru
Tu
Ti
Y
1
2
3
4
5
6
7
8
9
10
11
12
R
A 18.04.2005 N.L.Aggiunto soppressore (Zenamic) a protezione dei ponti diodi ausiliaria.
Aggiunto soppressore (Zenamic) a protezione dei ponti diodi ausiliaria.
02.07.2004

Other manuals for Mosa Magic Weld

Related product manuals