EasyManua.ls Logo

Motorline MC410 - Installation Map (KVM105-KVM110-KVM115)

Motorline MC410
15 pages
Print Icon
To Next Page IconTo Next Page
To Next Page IconTo Next Page
To Previous Page IconTo Previous Page
To Previous Page IconTo Previous Page
Loading...
6A
F1
F2
F3
LS LO ST PU OL LS LE LA
F2
F3
L1 L2 L3 T1 LAMPT2 T3
V+ LS LO OL CLST PU
EN
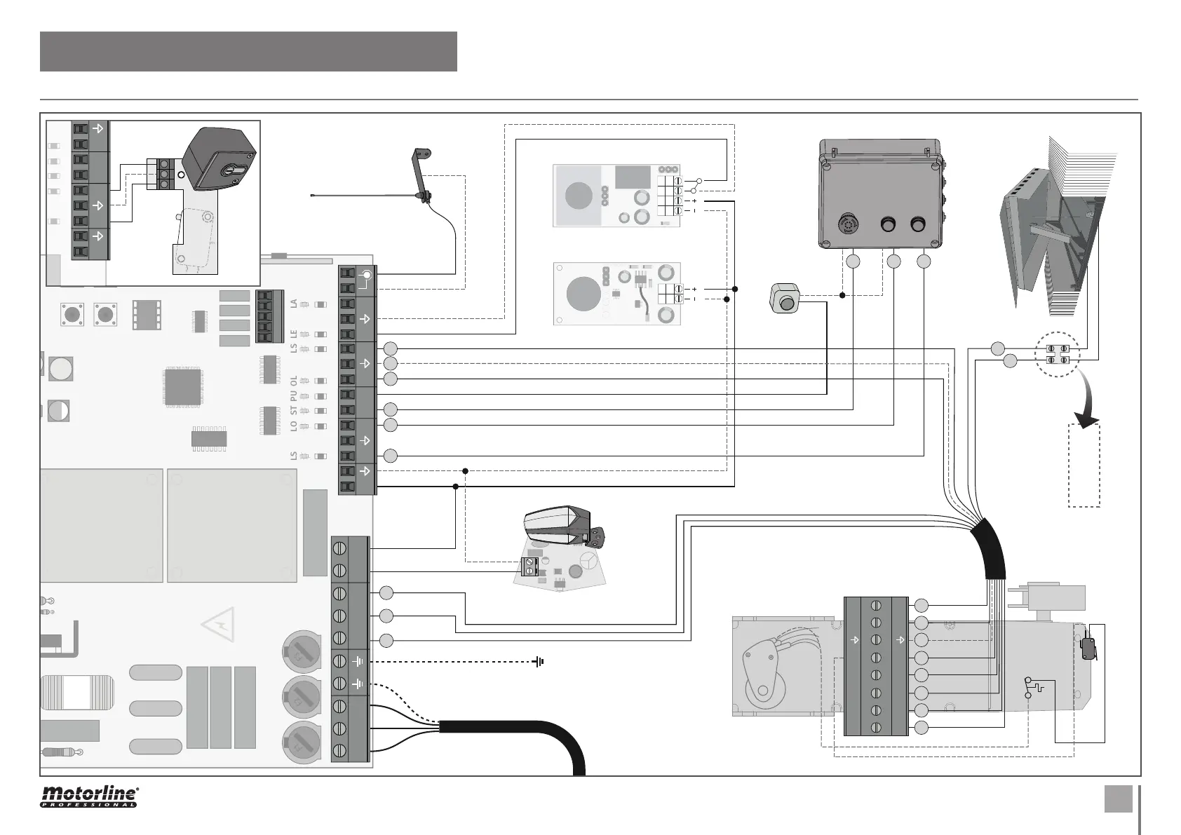
. INSTALLATION
INSTALLATION MAP (KVM-KVM-KVM)
Connections
(Motor)
Pushbutton
Flashlight
(Example)
Control Board
Loading dock
Antenna
Ground (Green/Yellow)
Ground (Green/Yellow)
Power Supply
(- Phase cable)
Photocells
SCMV OPTIONAL
Control
Board Inside
Black
Blue
Brown
White
Green
Grey
Orange
Red
-wire cable
Black
Blue
Brown
Red
Green
White
Orange
Grey

Related product manuals