EasyManua.ls Logo

MSI 880GM-E43 Series

MSI 880GM-E43 Series
190 pages
To Next Page IconTo Next Page
To Next Page IconTo Next Page
To Previous Page IconTo Previous Page
To Previous Page IconTo Previous Page
Loading...
Kr-4
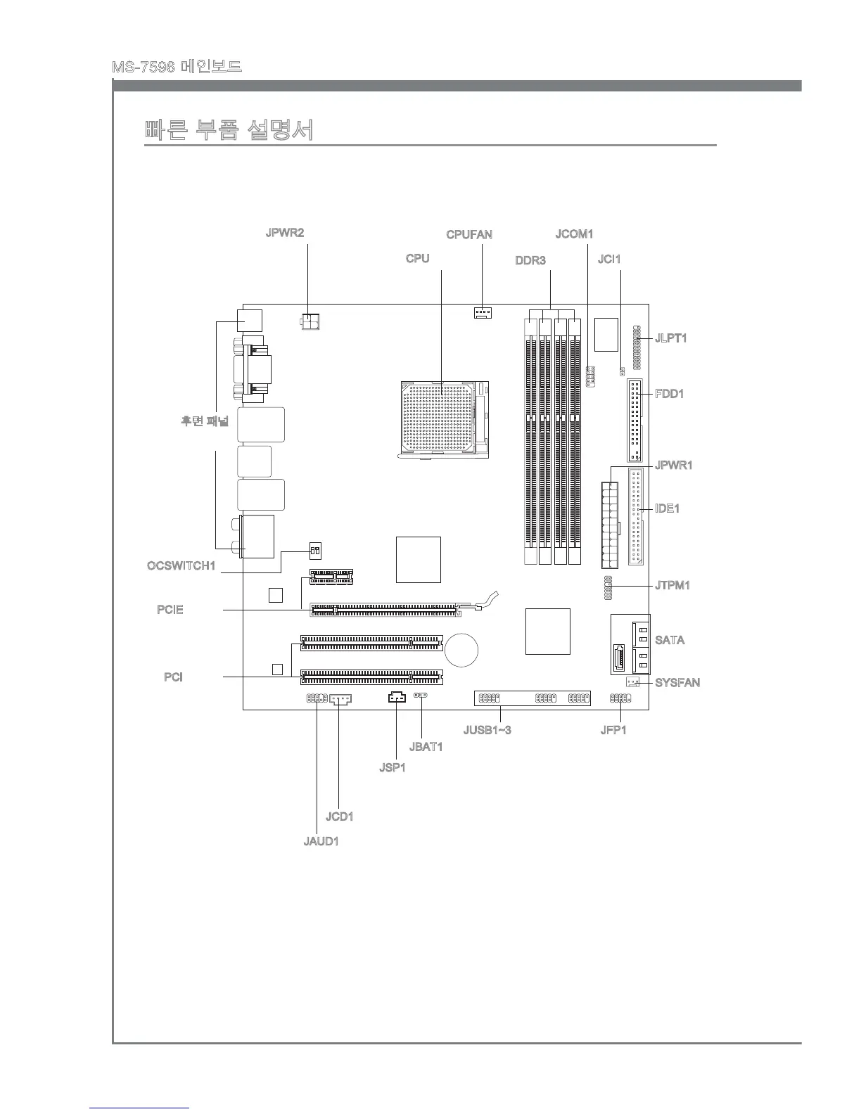
MS-7596 메인보드
ON
1 2
JPWR2, Kr-11
빠른 부품 설명서
후면 패널,
Kr-12
CPU, Kr-6
CPUFAN, Kr-16
DDR3, Kr-9
JCOM1, Kr-19
JCI1, Kr-15
JLPT1, Kr-19
FDD1, Kr-14
JPWR1, Kr-11
IDE1, Kr-14
JTPM1, Kr-20
SATA, Kr-15
SYSFAN, Kr-16
JFP1, Kr-17JUSB1~3, Kr-18
JBAT1, Kr-21
JSP1, Kr-17
JCD1, Kr-16
PCI, Kr-25
PCIE, Kr-23
OCSWITCH1,
Kr-22
JAUD1, Kr-18

Related product manuals