EasyManua.ls Logo

MTD 13AB606H730 - Page 44

MTD 13AB606H730
48 pages
Print Icon
To Next Page IconTo Next Page
To Next Page IconTo Next Page
To Previous Page IconTo Previous Page
To Previous Page IconTo Previous Page
Loading...
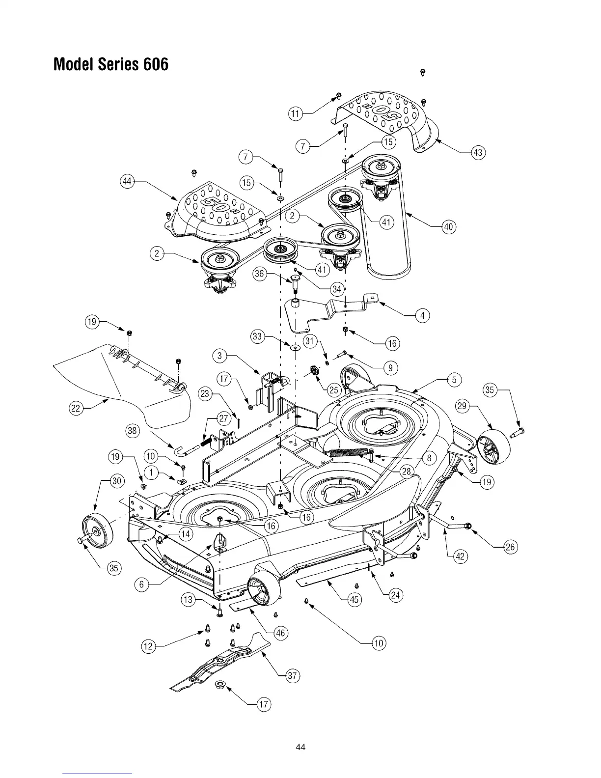
ModelSeries606
44