EasyManua.ls Logo

MTD 765 - Chassis & Controls (Models 762;772)

MTD 765
24 pages
Print Icon
To Next Page IconTo Next Page
To Next Page IconTo Next Page
To Previous Page IconTo Previous Page
To Previous Page IconTo Previous Page
Loading...
4
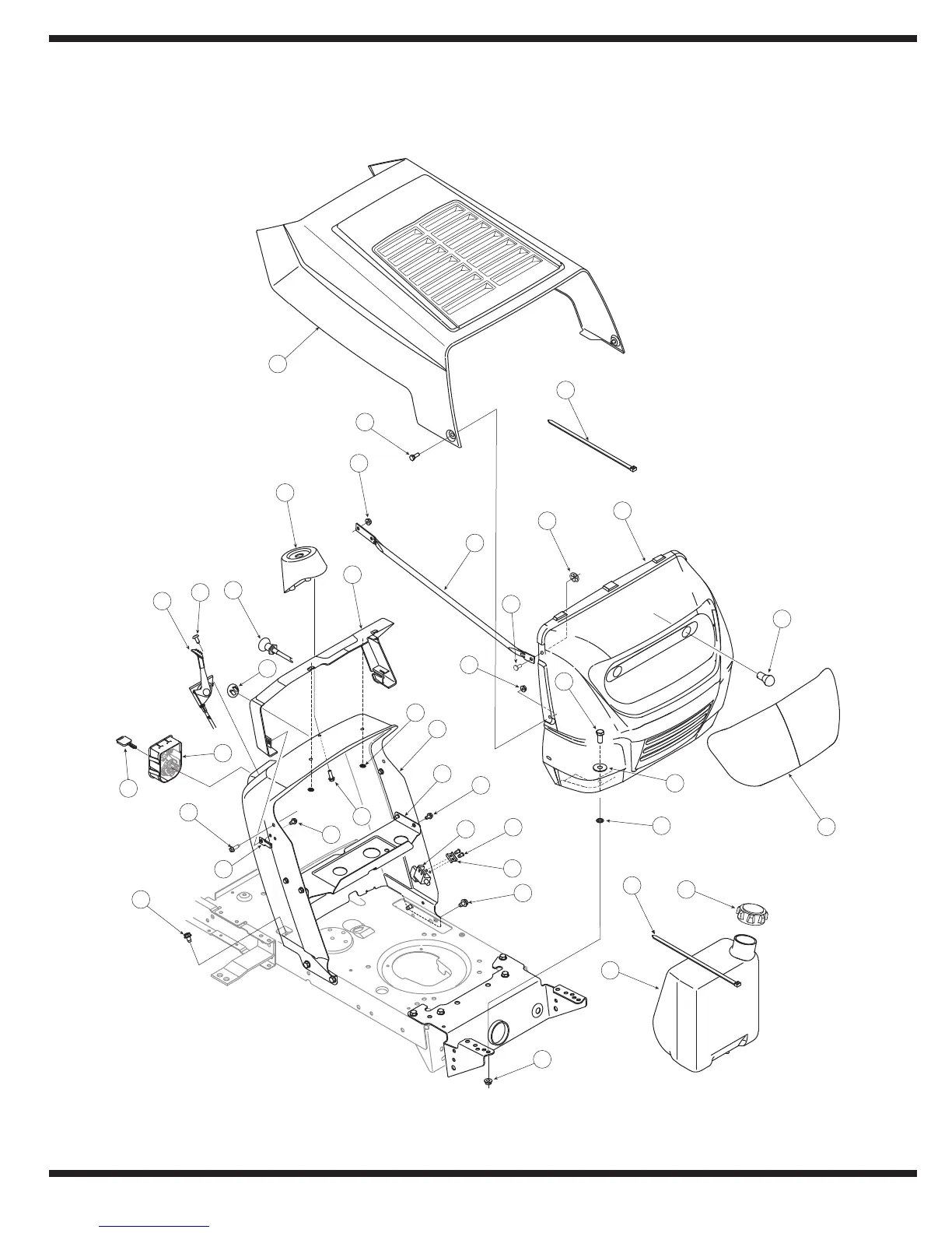
Model 762 & 772


































Related product manuals