EasyManua.ls Logo

MTD YARD MACHINES 607 - Page 36

MTD YARD MACHINES 607
48 pages
Print Icon
To Next Page IconTo Next Page
To Next Page IconTo Next Page
To Previous Page IconTo Previous Page
To Previous Page IconTo Previous Page
Loading...
36
Models 607, 608
& 609
4
2
2
13
5
2
21
2
21
13
19
1
3
18
36
11
28
31
7
38
46
47
40
8
44
37
47
15
17
1
19
50
26
27
24
10
49
19
55
30
32
20
42
14
39
16
61
3
9
13
76
62
88
69
53
54
25
41
57
58
19
23
64
68
71
70
58
65
65
56
58
33
77
72
58
63
69
60
66
59
21
75
33
52
31
68
64
23
23
73
78
79
34
51
81
83
82
6
45
29
73
58
12
43
84
85
87
86
35
21
80
48
85
84
7
4
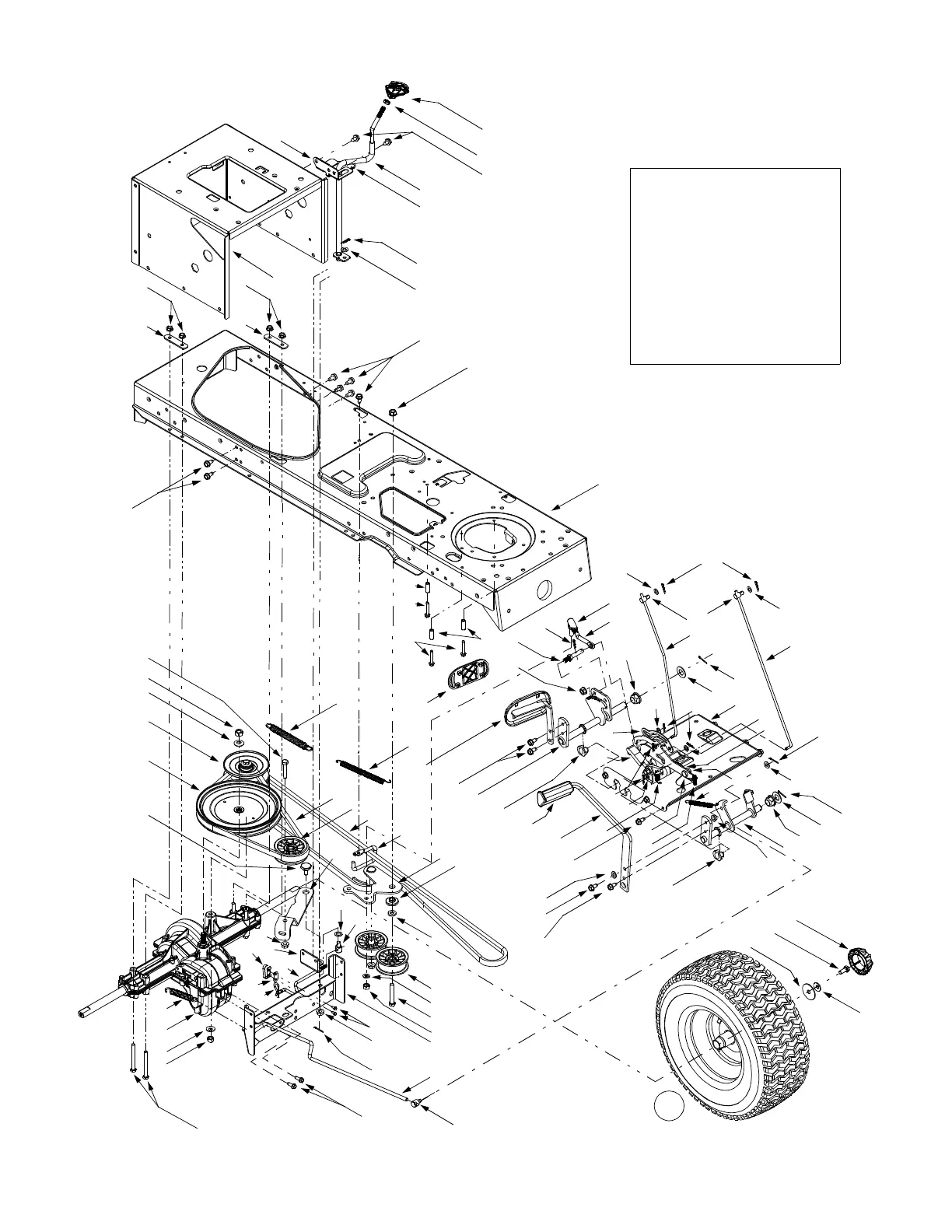
IMPORTANT:
For a proper
working machine, use
Factory Approved Parts.
V-belts are designed to
engage and disengage
safely. A substitute (non
OEM) V-belt can be
dangerous by not
disengaging completely.

Related product manuals