EasyManua.ls Logo

Mueller GR-670 - Wiring Diagram

Mueller GR-670
36 pages
Print Icon
To Next Page IconTo Next Page
To Next Page IconTo Next Page
To Previous Page IconTo Previous Page
To Previous Page IconTo Previous Page
Loading...
The power cord is equipped with a three-prong (grounding) plug which mates with
a standard three-prong grounding wall receptacle to minimize the possibility of elec-
trical shock hazard from the range.
WARNING: DO NOT cut or remove the grounding prong from the power cord.
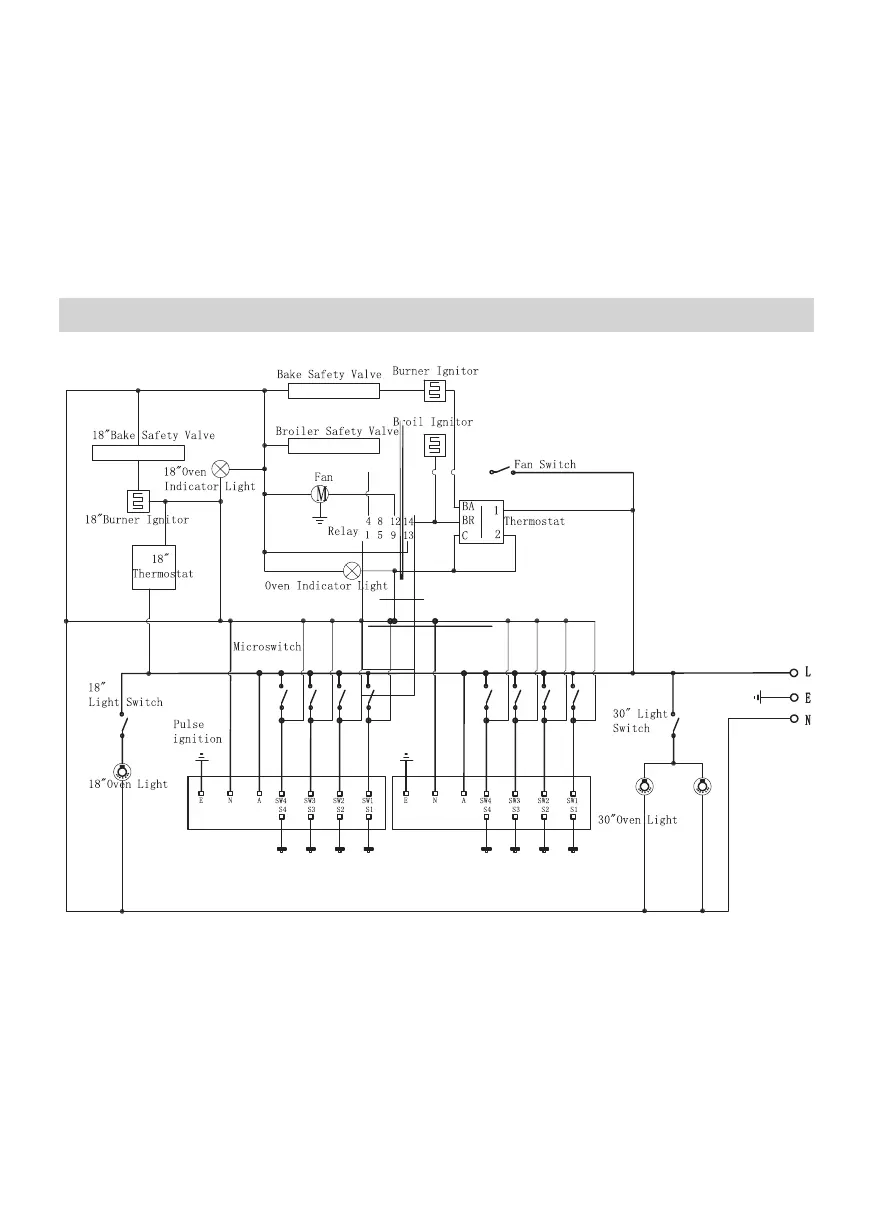
WIRING DIAGRAM
CAUTION: Label all wires prior to disconnection when servicing controls. Wiring
errors can cause improper and dangerous operation. Verify proper operation before
servicing.
15
Where a standard two-prong wall receptacle is encountered, it is the responsibility
and obligation of the customer to have it replaced with a properly grounded
three-prong wall receptacle by a licensed electrician.
All cord connected appliances shall include instructions relative to location of the
wall receptacle and a warning to the user to disconnect the electrical supply before
serving the appliance.