EasyManua.ls Logo

Multi-Power MP7500E - Wiring Diagram; Warranty

Multi-Power MP7500E
35 pages
Print Icon
To Next Page IconTo Next Page
To Next Page IconTo Next Page
To Previous Page IconTo Previous Page
To Previous Page IconTo Previous Page
Loading...
33
NO.
Description
Qty
NO.
Description
Qty
77
Piston
1
102
Muffle washer
1
78
Piston ring assembly
1
103
Exhaust washer
1
79
M6X60 Bolt assembly
1
104
M8 Nut
2
80
Lower air baffle
1
105
Spring washer
2
81
Air filter gasket
1
106
Regulating electromagnetic valve
1
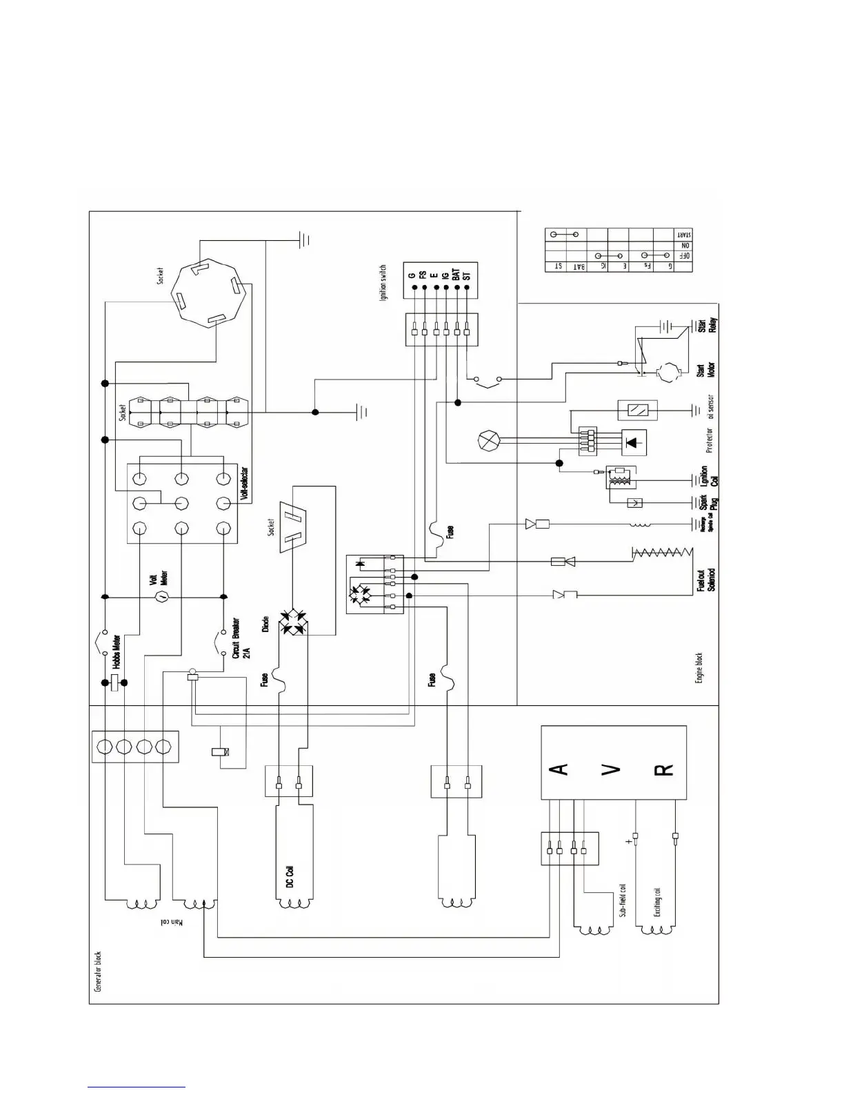
WIRING DIAGRAM